LEMON Manuals: Even more car manuals for everyone: 1960-2025
Home >> Toyota >> 2008 >> Avalon XLS >> Repair and Diagnosis >> Engine Performance >> Engine Control Systems >> Engine Control System (2GR-FE) - System And Circuit Testing, On-Vehicle Inspection, Removal, Inspection, Installation >> ECM Power Source Circuit >> Wiring Diagram
April 5, 2026: LEMON Manuals is launched! Read the announcement.

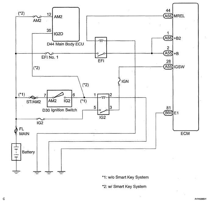
ECM Power Source Circuit: Wiring Diagram

Fig 1: ECM Power Source Circuit - Wiring Diagram
G05404740Courtesy of © TOYOTA, LICENSE AGREEMENT TMS1002