LEMON Manuals: Even more car manuals for everyone: 1960-2025
Home >> Toyota >> 2008 >> Land Cruiser >> Repair and Diagnosis >> Electrical >> Body Electrical >> OEM System Circuits >> Automatic Light Control System and Light Auto Turn Off System >> Notes
April 5, 2026: LEMON Manuals is launched! Read the announcement.

Automatic Light Control System and Light Auto Turn Off System: Notes

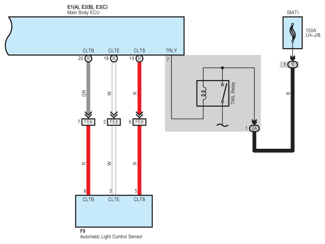
Fig 1: Automatic Light Control And Light Auto Turn Off System - Circuit Diagram (1 Of 5)
G07600254Courtesy of © TOYOTA, LICENSE AGREEMENT TMS1002
Fig 2: Automatic Light Control And Light Auto Turn Off System - Circuit Diagram (2 Of 5)
G07600255Courtesy of © TOYOTA, LICENSE AGREEMENT TMS1002
Fig 3: Automatic Light Control And Light Auto Turn Off System - Circuit Diagram (3 Of 5)
G07600256Courtesy of © TOYOTA, LICENSE AGREEMENT TMS1002
Fig 4: Automatic Light Control And Light Auto Turn Off System - Circuit Diagram (4 Of 5)
G07600257Courtesy of © TOYOTA, LICENSE AGREEMENT TMS1002
Fig 5: Automatic Light Control And Light Auto Turn Off System - Circuit Diagram (5 Of 5)
G07600258Courtesy of © TOYOTA, LICENSE AGREEMENT TMS1002