LEMON Manuals: Even more car manuals for everyone: 1960-2025
Home >> Toyota >> 2008 >> Land Cruiser >> Repair and Diagnosis >> Electrical >> Body Electrical >> OEM System Circuits >> Interior Light System >> Notes
April 5, 2026: LEMON Manuals is launched! Read the announcement.

Interior Light System: Notes

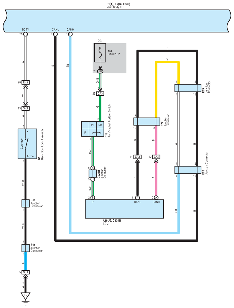
Fig 1: Interior Light - Circuit Diagram (1 Of 7)
G07600175Courtesy of © TOYOTA, LICENSE AGREEMENT TMS1002
Fig 2: Interior Light - Circuit Diagram (2 Of 7)
G07600176Courtesy of © TOYOTA, LICENSE AGREEMENT TMS1002
Fig 3: Interior Light - Circuit Diagram (3 Of 7)
G07600177Courtesy of © TOYOTA, LICENSE AGREEMENT TMS1002
Fig 4: Interior Light - Circuit Diagram (4 Of 7)
G07600178Courtesy of © TOYOTA, LICENSE AGREEMENT TMS1002
Fig 5: Interior Light - Circuit Diagram (5 Of 7)
G07600179Courtesy of © TOYOTA, LICENSE AGREEMENT TMS1002
Fig 6: Interior Light - Circuit Diagram (6 Of 7)
G07600180Courtesy of © TOYOTA, LICENSE AGREEMENT TMS1002
Fig 7: Interior Light - Circuit Diagram (7 Of 7)
G07600181Courtesy of © TOYOTA, LICENSE AGREEMENT TMS1002