LEMON Manuals: Even more car manuals for everyone: 1960-2025
Home >> Toyota >> 2008 >> Land Cruiser >> Repair and Diagnosis >> Electrical >> Body Electrical >> OEM System Circuits >> Multi Mode 4WD System >> Notes
April 5, 2026: LEMON Manuals is launched! Read the announcement.

Multi Mode 4WD System: Notes

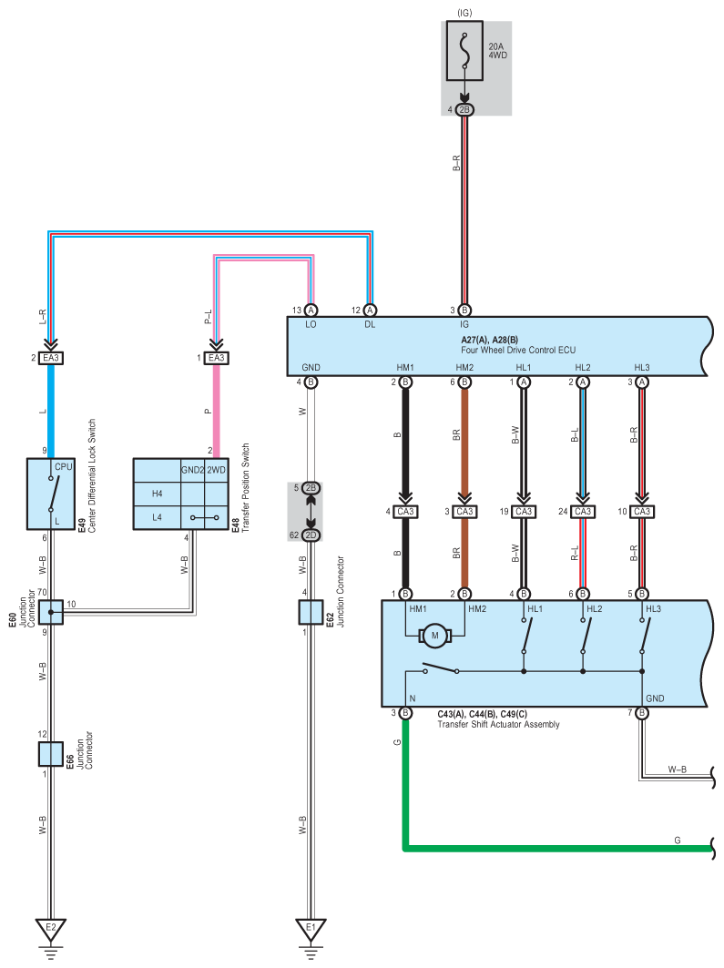
Fig 1: Multi Mode 4WD - Circuit Diagram (1 Of 7)
G07600230Courtesy of © TOYOTA, LICENSE AGREEMENT TMS1002
Fig 2: Multi Mode 4WD - Circuit Diagram (2 Of 7)
G07600231Courtesy of © TOYOTA, LICENSE AGREEMENT TMS1002
Fig 3: Multi Mode 4WD - Circuit Diagram (3 Of 7)
G07600232Courtesy of © TOYOTA, LICENSE AGREEMENT TMS1002
Fig 4: Multi Mode 4WD - Circuit Diagram (4 Of 7)
G07600233Courtesy of © TOYOTA, LICENSE AGREEMENT TMS1002
Fig 5: Multi Mode 4WD - Circuit Diagram (5 Of 7)
G07600234Courtesy of © TOYOTA, LICENSE AGREEMENT TMS1002
Fig 6: Multi Mode 4WD - Circuit Diagram (6 Of 7)
G07600235Courtesy of © TOYOTA, LICENSE AGREEMENT TMS1002
Fig 7: Multi Mode 4WD - Circuit Diagram (7 Of 7)
G07600236Courtesy of © TOYOTA, LICENSE AGREEMENT TMS1002