LEMON Manuals: Even more car manuals for everyone: 1960-2025
Home >> Toyota >> 2008 >> Matrix Base, Automatic >> Repair and Diagnosis >> Electrical >> Body Electrical >> OEM System Circuits >> Cruise Control System >> Notes
April 5, 2026: LEMON Manuals is launched! Read the announcement.

Cruise Control System: Notes

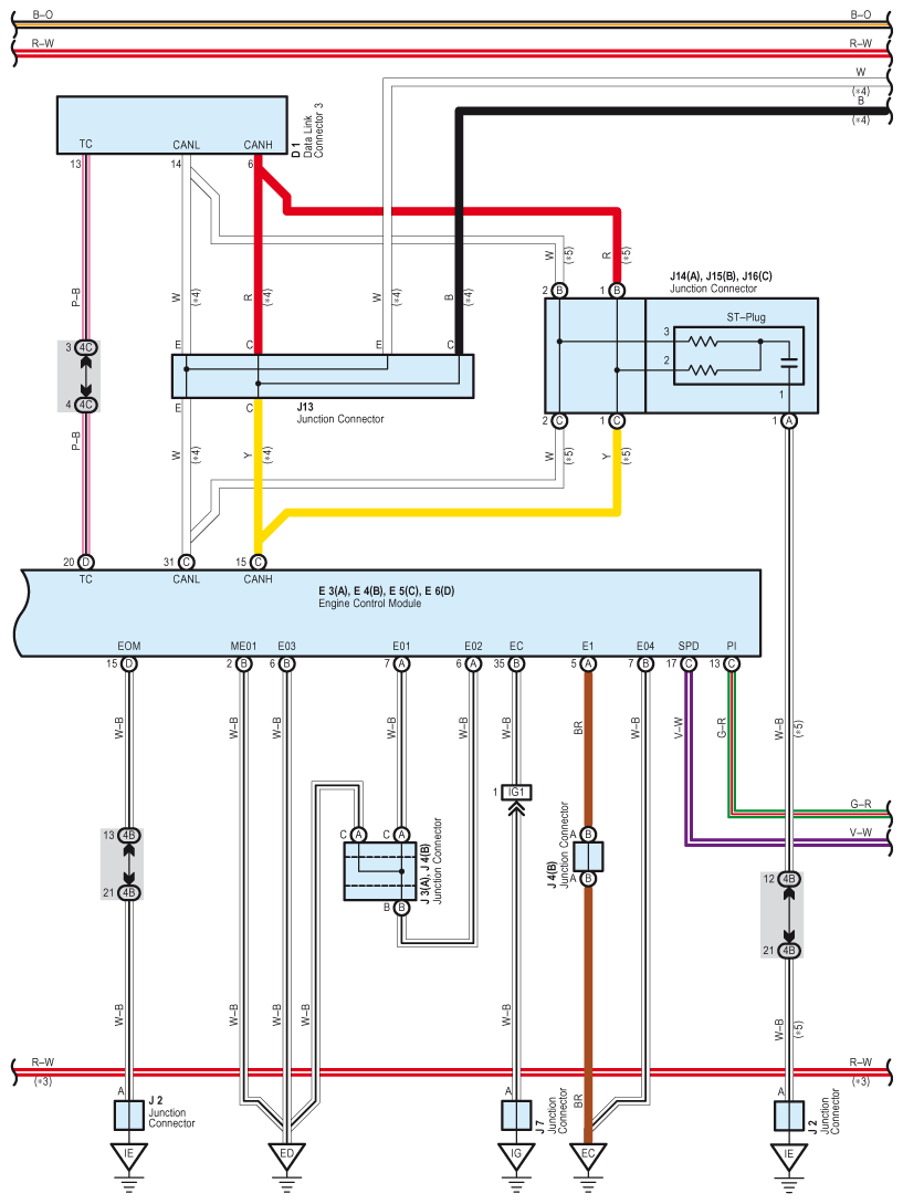
Fig 1: Cruise Control - Circuit Diagram (1 Of 4)
G07599199Courtesy of © TOYOTA, LICENSE AGREEMENT TMS1002
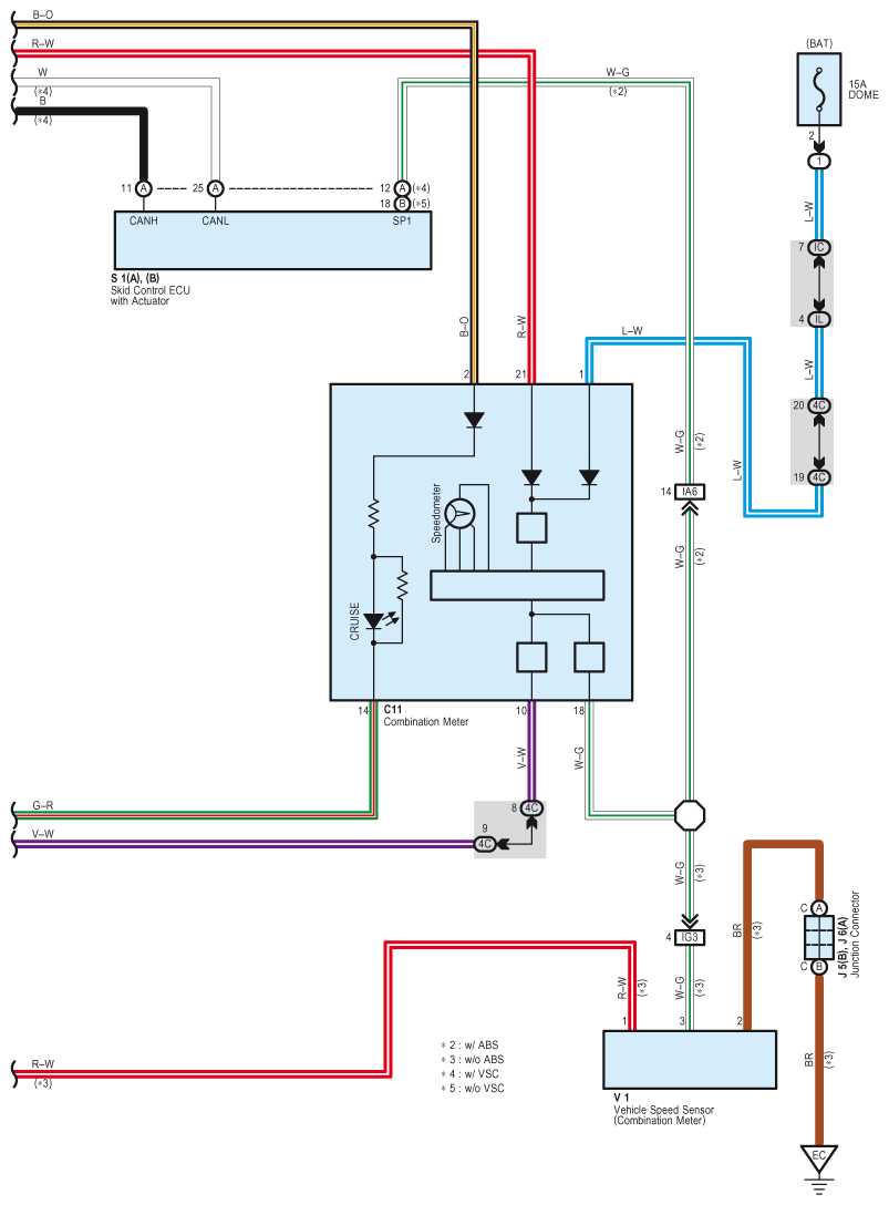
Fig 2: Cruise Control - Circuit Diagram (2 Of 4)
G07599200Courtesy of © TOYOTA, LICENSE AGREEMENT TMS1002
Fig 3: Cruise Control - Circuit Diagram (3 Of 4)
G07599201Courtesy of © TOYOTA, LICENSE AGREEMENT TMS1002
Fig 4: Cruise Control - Circuit Diagram (4 Of 4)
G07599202Courtesy of © TOYOTA, LICENSE AGREEMENT TMS1002