LEMON Manuals: Even more car manuals for everyone: 1960-2025
Home >> Toyota >> 2008 >> Matrix Base, Automatic >> Repair and Diagnosis >> Electrical >> Body Electrical >> OEM System Circuits >> Engine Control System >> Notes
April 5, 2026: LEMON Manuals is launched! Read the announcement.

Engine Control System: Notes

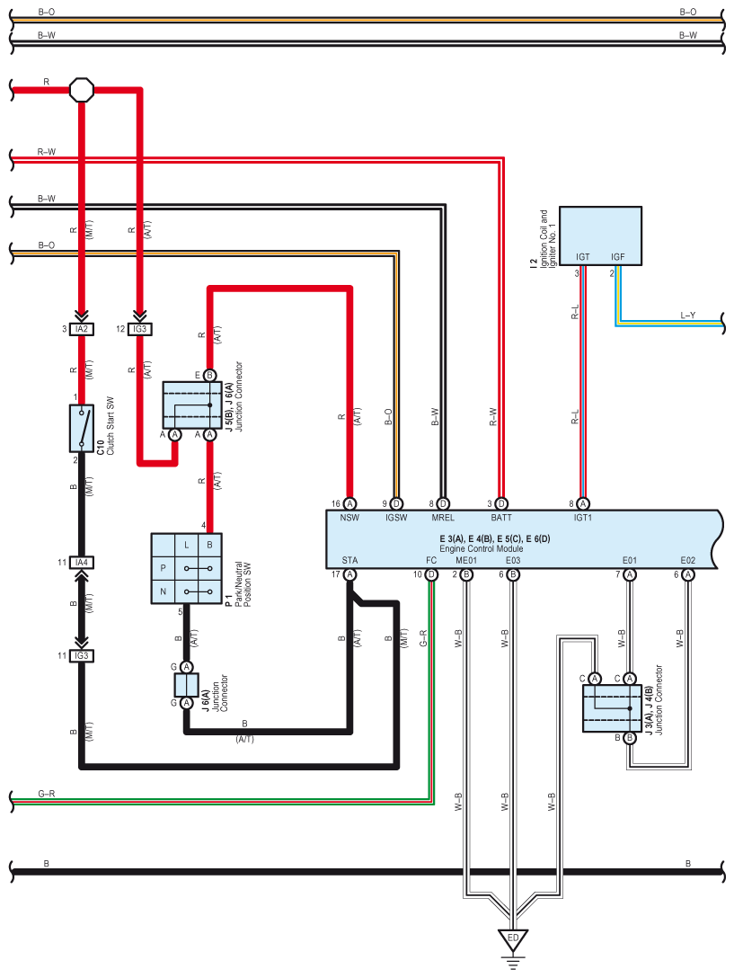
Fig 1: Engine Control - Circuit Diagram (1 Of 9)
G07599145Courtesy of © TOYOTA, LICENSE AGREEMENT TMS1002
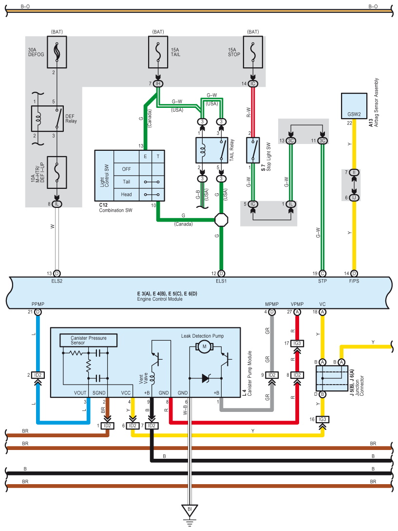
Fig 2: Engine Control - Circuit Diagram (2 Of 9)
G07599146Courtesy of © TOYOTA, LICENSE AGREEMENT TMS1002
Fig 3: Engine Control - Circuit Diagram (3 Of 9)
G07599147Courtesy of © TOYOTA, LICENSE AGREEMENT TMS1002
Fig 4: Engine Control - Circuit Diagram (4 Of 9)
G07599148Courtesy of © TOYOTA, LICENSE AGREEMENT TMS1002
Fig 5: Engine Control - Circuit Diagram (5 Of 9)
G07599149Courtesy of © TOYOTA, LICENSE AGREEMENT TMS1002
Fig 6: Engine Control - Circuit Diagram (6 Of 9)
G07599150Courtesy of © TOYOTA, LICENSE AGREEMENT TMS1002
Fig 7: Engine Control - Circuit Diagram (7 Of 9)
G07599151Courtesy of © TOYOTA, LICENSE AGREEMENT TMS1002
Fig 8: Engine Control - Circuit Diagram (8 Of 9)
G07599152Courtesy of © TOYOTA, LICENSE AGREEMENT TMS1002
Fig 9: Engine Control - Circuit Diagram (9 Of 9)
G07599153Courtesy of © TOYOTA, LICENSE AGREEMENT TMS1002