LEMON Manuals: Even more car manuals for everyone: 1960-2025
Home >> Toyota >> 2008 >> Matrix Base, Automatic >> Repair and Diagnosis >> Electrical >> Body Electrical >> OEM System Circuits >> Interior Light System >> Notes
April 5, 2026: LEMON Manuals is launched! Read the announcement.

Interior Light System: Notes

Fig 1: Interior Light - Circuit Diagram (1 Of 3)
G07599165Courtesy of © TOYOTA, LICENSE AGREEMENT TMS1002
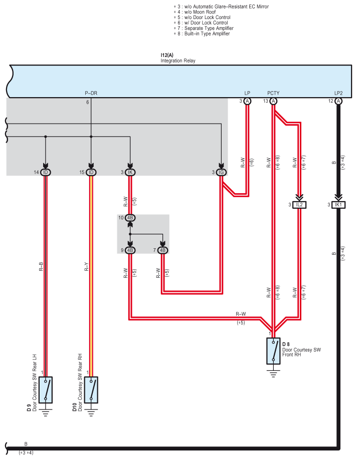
Fig 2: Interior Light - Circuit Diagram (2 Of 3)
G07599166Courtesy of © TOYOTA, LICENSE AGREEMENT TMS1002
Fig 3: Interior Light - Circuit Diagram (3 Of 3)
G07599167Courtesy of © TOYOTA, LICENSE AGREEMENT TMS1002