LEMON Manuals: Even more car manuals for everyone: 1960-2025
Home >> Toyota >> 2008 >> Prius Base >> Repair and Diagnosis >> Electrical >> Body Electrical >> OEM System Circuits >> Radiator Fan and Condenser Fan System >> Notes
April 5, 2026: LEMON Manuals is launched! Read the announcement.

Radiator Fan and Condenser Fan System: Notes

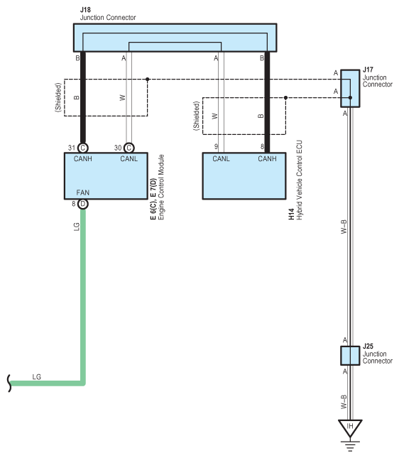
Fig 1: Radiator Fan And Condenser Fan - Circuit Diagram (1 Of 2)
G07577131Courtesy of © TOYOTA, LICENSE AGREEMENT TMS1002
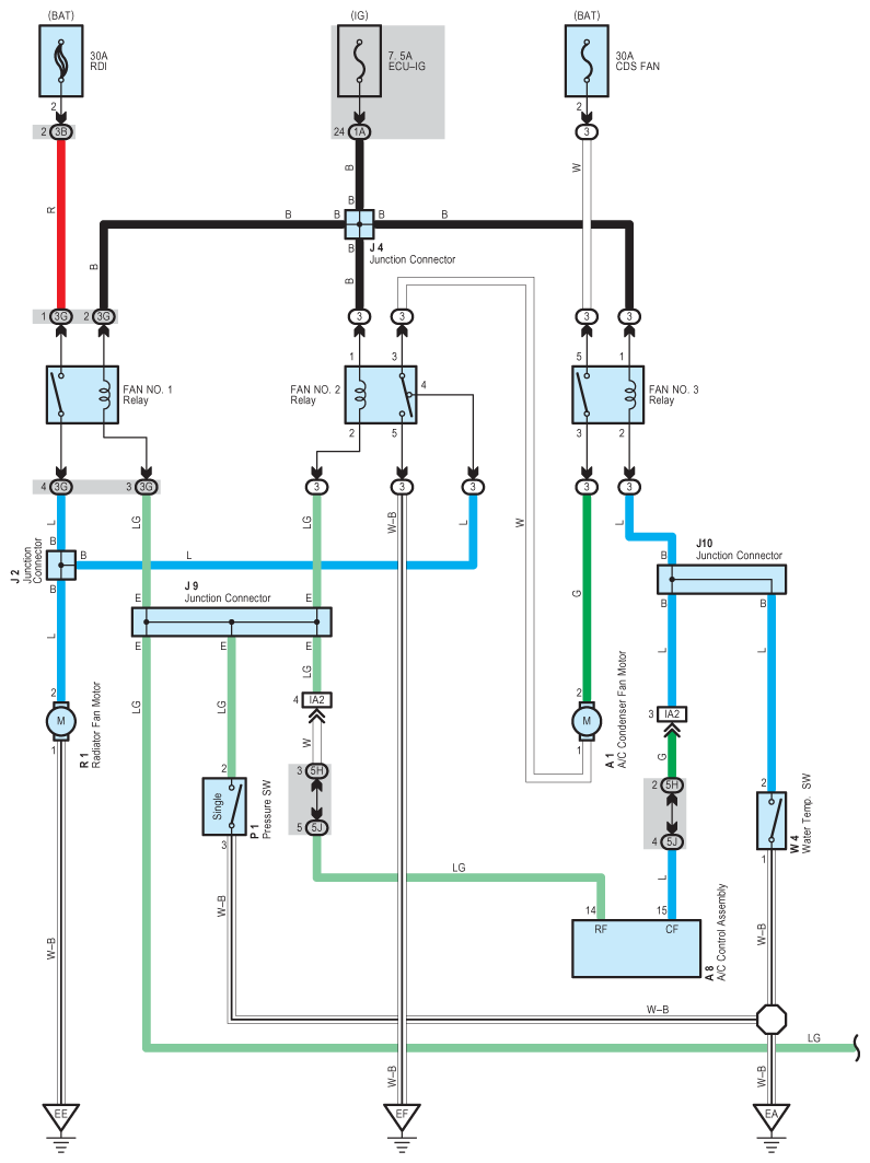
Fig 2: Radiator Fan And Condenser Fan - Circuit Diagram (2 Of 2)
G07577132Courtesy of © TOYOTA, LICENSE AGREEMENT TMS1002