LEMON Manuals: Even more car manuals for everyone: 1960-2025
Home >> Toyota >> 2009 >> Avalon XLS >> Repair and Diagnosis >> Body & Frame >> Windows >> Windshield/Window Glass >> Power Window Control System >> Circuit Tests >> Power Window Master Switch Power Source Circuit >> Wiring Diagram
April 5, 2026: LEMON Manuals is launched! Read the announcement.

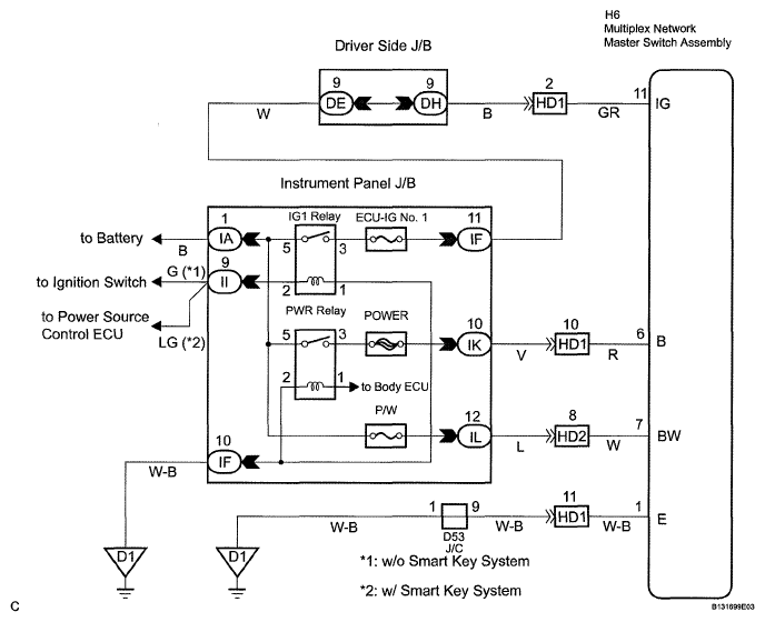
Power Window Master Switch Power Source Circuit: Wiring Diagram

Fig 1: Power Window Master Switch Power Source - Wiring Diagram
G05408216Courtesy of © TOYOTA, LICENSE AGREEMENT TMS1002