LEMON Manuals: Even more car manuals for everyone: 1960-2025
Home >> Toyota >> 2009 >> Avalon XLS >> Repair and Diagnosis >> Brakes >> Traction Control >> Brake Control >> Front Speed Sensor >> Components
April 5, 2026: LEMON Manuals is launched! Read the announcement.

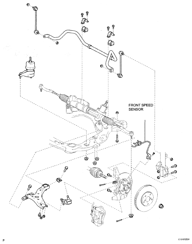
Front Speed Sensor: Components

Fig 1: Identifying Front Speed Sensor Components
G05001627Courtesy of © TOYOTA, LICENSE AGREEMENT TMS1002