LEMON Manuals: Even more car manuals for everyone: 1960-2025
Home >> Toyota >> 2009 >> Corolla Base, 1.8 L, Standard >> Repair and Diagnosis >> Brakes >> Traction Control >> Brake Control/Dynamic Control System >> Vehicle Stability Control System >> DTC C1249/49 Open in Stop Light Switch Circuit >> Wiring Diagram
April 5, 2026: LEMON Manuals is launched! Read the announcement.

DTC C1249/49 Open in Stop Light Switch Circuit: Wiring Diagram

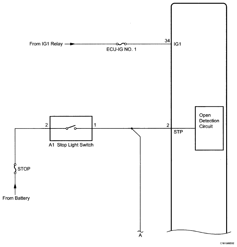
Fig 1: Open In Stop Light Switch - Wiring Diagram (1 Of 3)
G06013962Courtesy of © TOYOTA, LICENSE AGREEMENT TMS1002
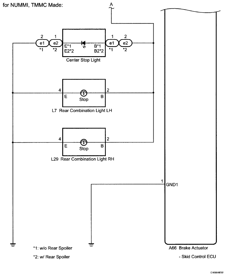
Fig 2: Open In Stop Light Switch - Wiring Diagram (2 Of 3)
G06013963Courtesy of © TOYOTA, LICENSE AGREEMENT TMS1002
Fig 3: Open In Stop Light Switch - Wiring Diagram (3 Of 3)
G06013964Courtesy of © TOYOTA, LICENSE AGREEMENT TMS1002