LEMON Manuals: Even more car manuals for everyone: 1960-2025
Home >> Toyota >> 2009 >> Highlander Base, 2.7 A >> Repair and Diagnosis >> Engine Performance >> System >> Engine Control System (1AR-FE) - SFI System Diagnostic Introduction, Diagnostic Trouble Code Chart >> SFI System >> System Diagram
April 5, 2026: LEMON Manuals is launched! Read the announcement.

System Diagram

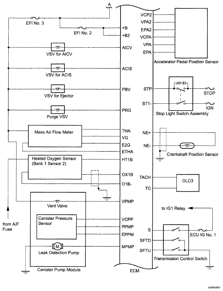
Fig 1: SFI System - System Diagram (1 Of 4)
G06110857Courtesy of © TOYOTA, LICENSE AGREEMENT TMS1002
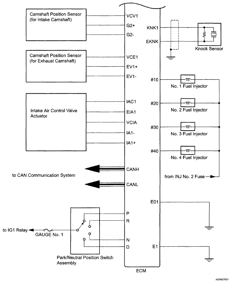
Fig 2: SFI System - System Diagram (2 Of 4)
G06110858Courtesy of © TOYOTA, LICENSE AGREEMENT TMS1002
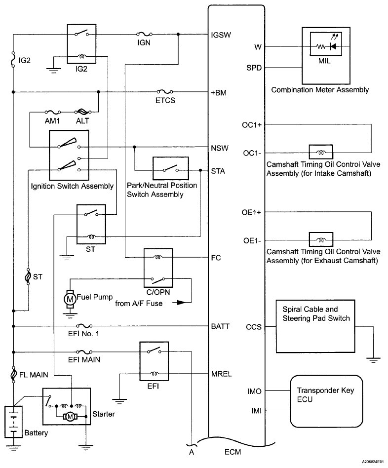
Fig 3: SFI System - System Diagram (3 Of 4)
G06110859Courtesy of © TOYOTA, LICENSE AGREEMENT TMS1002
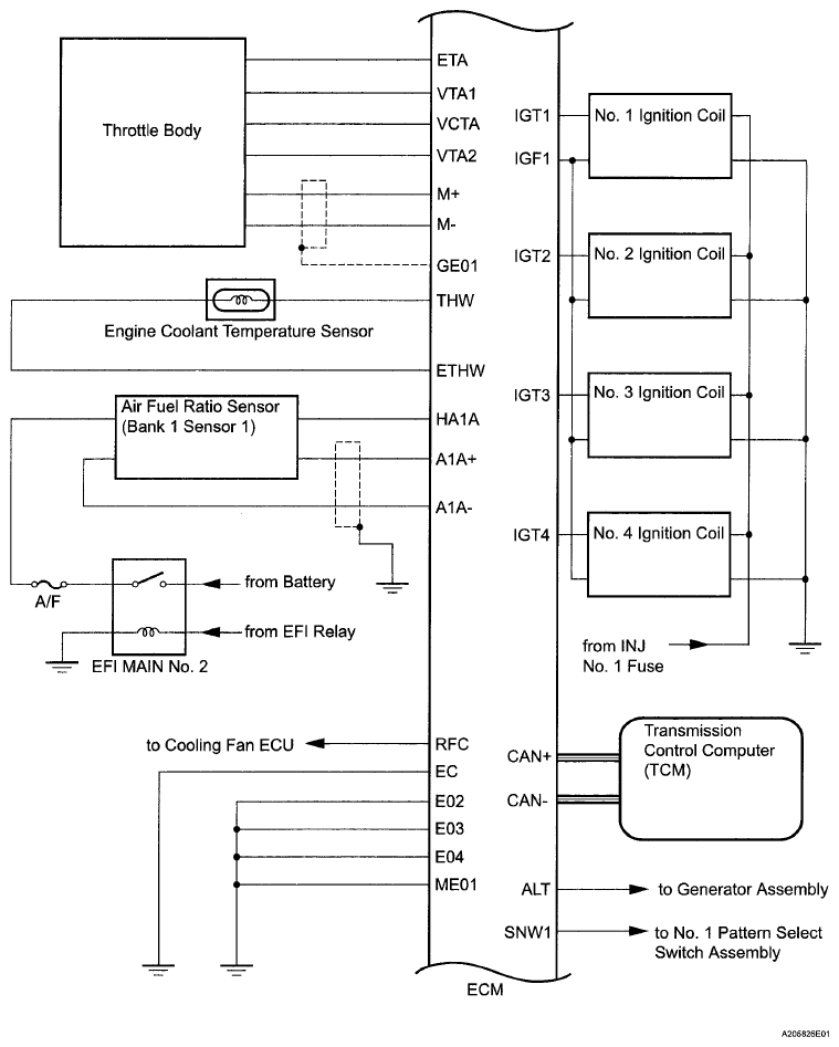
Fig 4: SFI System - System Diagram (4 Of 4)
G06110860Courtesy of © TOYOTA, LICENSE AGREEMENT TMS1002