LEMON Manuals: Even more car manuals for everyone: 1960-2025
Home >> Toyota >> 2009 >> Matrix Base, Automatic >> Repair and Diagnosis >> Electrical >> Body Electrical >> OEM System Circuits >> Engine Control for 2AZ-FE >> Notes
April 5, 2026: LEMON Manuals is launched! Read the announcement.

Engine Control for 2AZ-FE: Notes

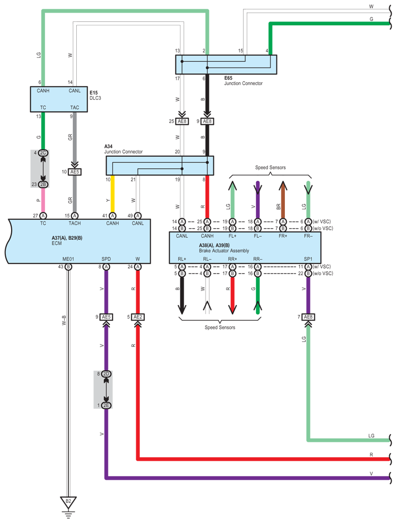
Fig 1: Engine Control For 2AZ-FE - Circuit Diagram (1 Of 10)
G07606220Courtesy of © TOYOTA, LICENSE AGREEMENT TMS1002
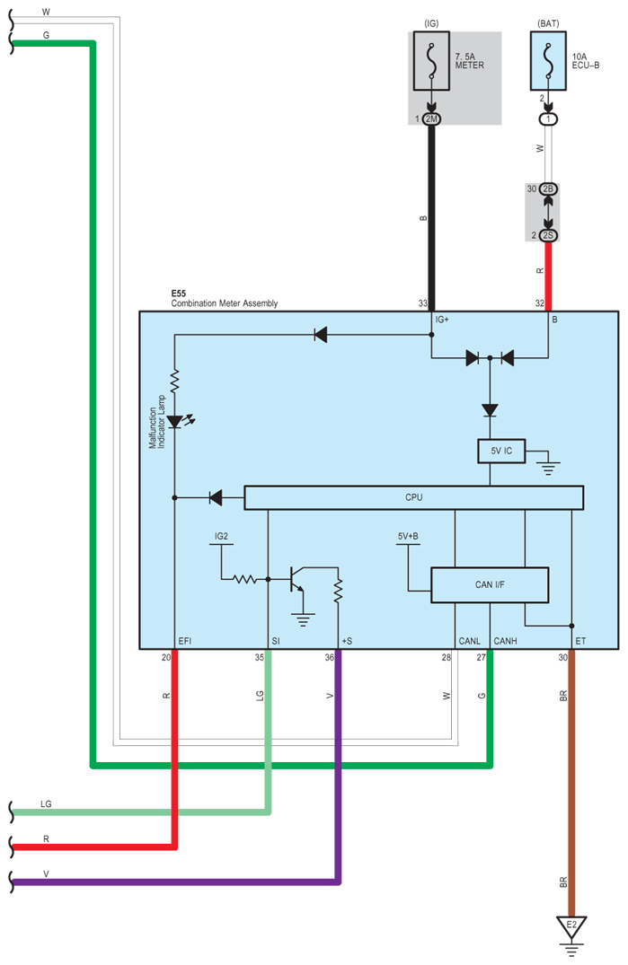
Fig 2: Engine Control For 2AZ-FE - Circuit Diagram (2 Of 10)
G07606221Courtesy of © TOYOTA, LICENSE AGREEMENT TMS1002
Fig 3: Engine Control For 2AZ-FE - Circuit Diagram (3 Of 10)
G07606222Courtesy of © TOYOTA, LICENSE AGREEMENT TMS1002
Fig 4: Engine Control For 2AZ-FE - Circuit Diagram (4 Of 10)
G07606223Courtesy of © TOYOTA, LICENSE AGREEMENT TMS1002
Fig 5: Engine Control For 2AZ-FE - Circuit Diagram (5 Of 10)
G07606224Courtesy of © TOYOTA, LICENSE AGREEMENT TMS1002
Fig 6: Engine Control For 2AZ-FE - Circuit Diagram (6 Of 10)
G07606225Courtesy of © TOYOTA, LICENSE AGREEMENT TMS1002
Fig 7: Engine Control For 2AZ-FE - Circuit Diagram (7 Of 10)
G07606226Courtesy of © TOYOTA, LICENSE AGREEMENT TMS1002
Fig 8: Engine Control For 2AZ-FE - Circuit Diagram (8 Of 10)
G07606227Courtesy of © TOYOTA, LICENSE AGREEMENT TMS1002
Fig 9: Engine Control For 2AZ-FE - Circuit Diagram (9 Of 10)
G07606228Courtesy of © TOYOTA, LICENSE AGREEMENT TMS1002
Fig 10: Engine Control For 2AZ-FE - Circuit Diagram (10 Of 10)
G07606229Courtesy of © TOYOTA, LICENSE AGREEMENT TMS1002