LEMON Manuals: Even more car manuals for everyone: 1960-2025
Home >> Toyota >> 2009 >> Matrix Base, Automatic >> Repair and Diagnosis >> Electrical >> Body Electrical >> OEM System Circuits >> Power Source >> Notes
April 5, 2026: LEMON Manuals is launched! Read the announcement.

Power Source: Notes

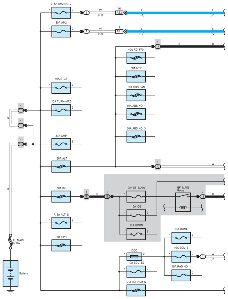
Fig 1: Power Source - Circuit Diagram (1 Of 4)
G07606211Courtesy of © TOYOTA, LICENSE AGREEMENT TMS1002
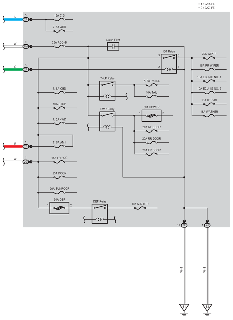
Fig 2: Power Source - Circuit Diagram (2 Of 4)
G07606212Courtesy of © TOYOTA, LICENSE AGREEMENT TMS1002
Fig 3: Power Source - Circuit Diagram (3 Of 4)
G07606213Courtesy of © TOYOTA, LICENSE AGREEMENT TMS1002
Fig 4: Power Source - Circuit Diagram (4 Of 4)
G07606214Courtesy of © TOYOTA, LICENSE AGREEMENT TMS1002