LEMON Manuals: Even more car manuals for everyone: 1960-2025
Home >> Toyota >> 2009 >> Matrix Base, Automatic >> Repair and Diagnosis >> Electrical >> Body Electrical >> OEM System Circuits >> Remote Control Mirror >> Notes
April 5, 2026: LEMON Manuals is launched! Read the announcement.

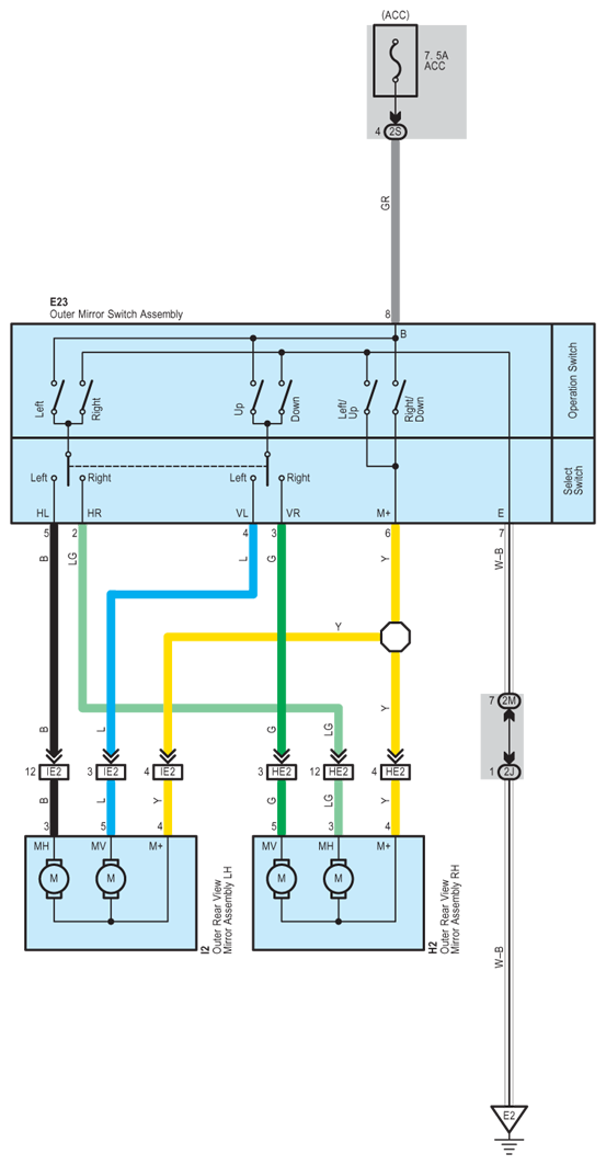
Remote Control Mirror: Notes

Fig 1: Remote Control Mirror - Circuit Diagram
G07606354Courtesy of © TOYOTA, LICENSE AGREEMENT TMS1002