LEMON Manuals: Even more car manuals for everyone: 1960-2025
Home >> Toyota >> 2009 >> Matrix Base, Automatic >> Repair and Diagnosis >> Electrical >> Body Electrical >> OEM System Circuits >> Starting >> Notes
April 5, 2026: LEMON Manuals is launched! Read the announcement.

OEM System Circuits: Starting: Notes

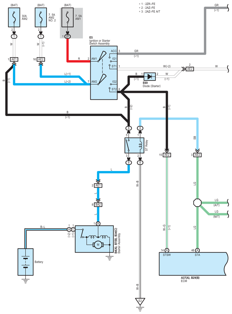
Fig 1: Starting - Circuit Diagram (1 Of 2)
G07606215Courtesy of © TOYOTA, LICENSE AGREEMENT TMS1002
Fig 2: Starting - Circuit Diagram (2 Of 2)
G07606216Courtesy of © TOYOTA, LICENSE AGREEMENT TMS1002