LEMON Manuals: Even more car manuals for everyone: 1960-2025
Home >> Toyota >> 2009 >> Matrix Base, Standard >> Repair and Diagnosis >> Accessories & Equipment >> Infotainment >> Audio/Visual >> Audio And Visual System >> Radio Receiver Communication Error >> Inspection Procedure
April 5, 2026: LEMON Manuals is launched! Read the announcement.

Inspection Procedure

  1. IDENTIFY THE COMPONENT SHOWN BY SUB-CODE 
    1. Enter diagnostic mode.
      Fig 1: Service Check Mode Flow Chart - Diagnostic Mode
      G05753378Courtesy of © TOYOTA, LICENSE AGREEMENT TMS1002
    2. Press the preset switch "3" to change the mode to "Detailed Information Mode".
    3. Identify the component shown by the sub-code.

      HINT:

      • "P190" set by the radio receiver is shown in the preceding illustration as an example.
      • For details of the DTC display, refer to DTC CHECK / CLEAR  .
  2. CHECK POWER SOURCE CIRCUIT OF COMPONENT SHOWN BY SUB-CODE 
    1. Inspect the power source circuit of the component shown by the sub-code.

      If the power source circuit is operating normally, proceed to the Next Step.

      Component Table 

      COMPONENT REFERENCE CHART

      Component Proceed to
      Stereo component amplifier (440) Stereo component amplifier power source circuit (See STEREO COMPONENT AMPLIFIER POWER SOURCE CIRCUIT  )
  3. INSPECT RADIO RECEIVER 
    1. Disconnect the radio receiver connector.
    2. Measure the resistance according to the value(s) in the table below.

      Standard Resistance 

      RESISTANCE SPECIFIED CONDITION

      Tester Connection Condition Specified Condition
      E40-5 (ATX+) - E40-15 (ATX-) Always 60 to 80 Ω
      Fig 2: Identifying E40 Radio Receiver Connector
      G06035676Courtesy of © TOYOTA, LICENSE AGREEMENT TMS1002

      NG: REPLACE RADIO RECEIVER  (See REMOVAL  )

      OK: Go to Next Step 

  4. CHECK HARNESS AND CONNECTOR (RADIO RECEIVER - COMPONENT SHOWN BY SUB-CODE) 

    HINT:

    • Start the check from the circuit that is near the component shown by the sub-code first.
    • For details of the connectors, refer to TERMINALS OF ECU  .
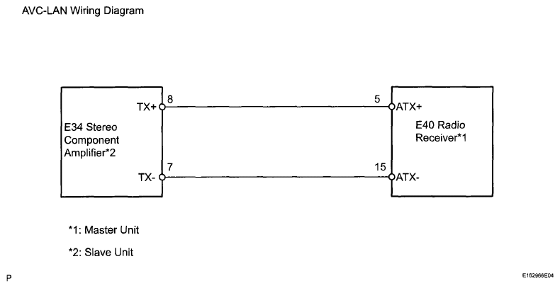
    1. Referring to the following AVC-LAN Wiring Diagram, check the AVC-LAN circuit between the radio receiver and the component shown by the sub-code.
      1. Disconnect all connectors between the radio receiver and the component shown by the subcode.
      2. Check for an open or short in the AVC-LAN circuit between the radio receiver and the component shown by the sub-code.
        Fig 3: AVC-LAN Wiring Diagram
        G06035677Courtesy of © TOYOTA, LICENSE AGREEMENT TMS1002

        OK: 

        There is no open or short circuit  .

        NG: REPAIR OR REPLACE HARNESS OR CONNECTOR 

        OK: Go to Next Step 

  5. REPLACE COMPONENT SHOWN BY SUB-CODE 
    1. Replace the component shown by the sub-code with a known good one and check if the same problem occurs again.

      OK: 

      Malfunction disappears  .

      NG: REPLACE RADIO RECEIVER  (See REMOVAL  )

      OK: END