LEMON Manuals: Even more car manuals for everyone: 1960-2025
Home >> Toyota >> 2009 >> Prius Base >> Repair and Diagnosis >> Brakes >> Traction Control >> Brake Control >> Electronically Controlled Brake System >> System Diagram
April 5, 2026: LEMON Manuals is launched! Read the announcement.

System Diagram

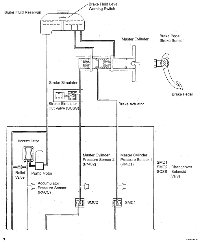
Fig 1: Brake Control System Diagram (1 Of 4)
G05189186Courtesy of © TOYOTA, LICENSE AGREEMENT TMS1002
Fig 2: Brake Control System Diagram (2 Of 4)
G05189187Courtesy of © TOYOTA, LICENSE AGREEMENT TMS1002
Fig 3: Brake Control System Diagram (3 Of 4)
G05189188Courtesy of © TOYOTA, LICENSE AGREEMENT TMS1002
Fig 4: Brake Control System Diagram (4 Of 4)
G05189189Courtesy of © TOYOTA, LICENSE AGREEMENT TMS1002
SKID CONTROL ECU SIGNAL CHART

Sender Receiver Signal Line
Skid Control ECU Gateway ECU Warning signal CAN communication
Skid Control ECU Hybrid Control ECU Vehicle wheel lock signal CAN communication
Skid Control ECU Hybrid Control ECU Vehicle wheel speed sensor signal CAN communication
Skid Control ECU Hybrid Control ECU Enhanced VSC, torque control signal CAN communication
Skid Control ECU Hybrid Control ECU ABS operation signal CAN communication
Skid Control ECU Hybrid Control ECU Cruise control cancel demand signal CAN communication
Skid Control ECU Hybrid Control ECU Communication error signal (from HV to Electronically Controlled Brake) CAN communication
Skid Control ECU Hybrid Control ECU Demand drive torque signal CAN communication
Skid Control ECU Hybrid Control ECU Brake torque signal CAN communication
Skid Control ECU Hybrid Control ECU Regeneration performing demand signal CAN communication
Skid Control ECU Hybrid Control ECU STP SW signal CAN communication
Skid Control ECU Hybrid Control ECU STP SW open signal CAN communication
Skid Control ECU Hybrid Control ECU Parking brake signal CAN communication
Skid Control ECU Yaw Rate (Deceleration) Sensor Yaw rate (deceleration) signal CAN communication
Skid Control ECU EPS ECU Steering signal CAN communication
Hybrid Control ECU Skid Control ECU Regeneration prohibit signal CAN communication
Hybrid Control ECU Skid Control ECU Regeneration deterioration notice signal CAN communication
Hybrid Control ECU Skid Control ECU Regeneration error signal CAN communication
Hybrid Control ECU Skid Control ECU Performing torque recognition signal CAN communication
Hybrid Control ECU Skid Control ECU Performing torque recognition signal CAN communication
Hybrid Control ECU Skid Control ECU Destination signal CAN communication
Hybrid Control ECU Skid Control ECU Throttle opening angle signal CAN communication
Hybrid Control ECU Skid Control ECU Accelerator information signal (Idle SW) CAN communication
Hybrid Control ECU Skid Control ECU Communication error signal (from Electronically Controlled Brake to HV) CAN communication
Hybrid Control ECU Skid Control ECU Wheel lock braking start signal CAN communication
Hybrid Control ECU Skid Control ECU Shift information signal CAN communication
Hybrid Control ECU Skid Control ECU Ready condition signal CAN communication
Hybrid Control ECU Skid Control ECU Braking torque demand signal CAN communication
Hybrid Control ECU Skid Control ECU SLIP indicator ON demand signal CAN communication