LEMON Manuals: Even more car manuals for everyone: 1960-2025
Home >> Toyota >> 2009 >> Prius Base >> Repair and Diagnosis >> Electrical >> Body Electrical >> OEM System Circuits >> Automatic Light Control >> Notes
April 5, 2026: LEMON Manuals is launched! Read the announcement.

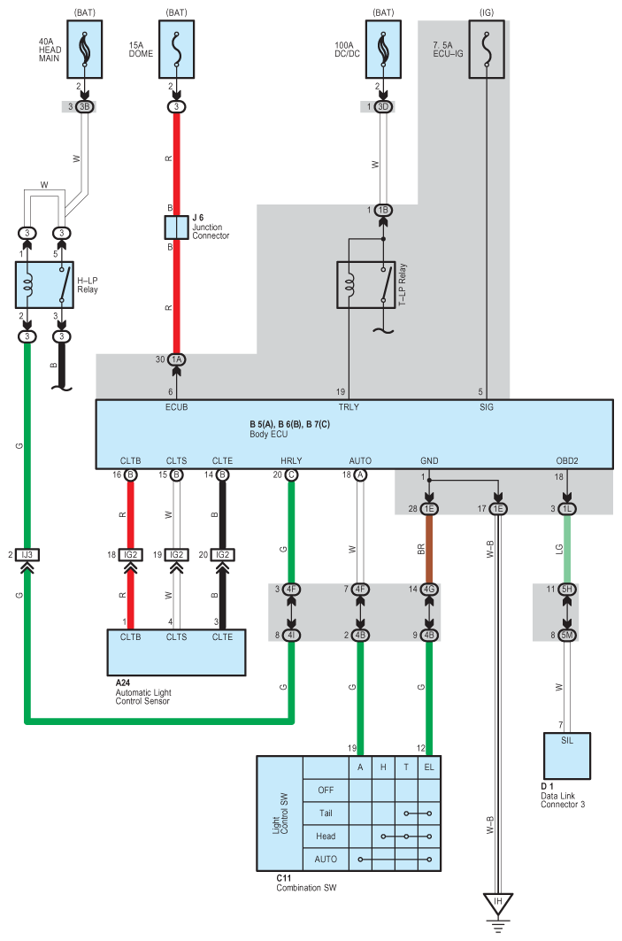
Automatic Light Control: Notes

Fig 1: Automatic Light Control - Circuit Diagram
G07610976Courtesy of © TOYOTA, LICENSE AGREEMENT TMS1002