LEMON Manuals: Even more car manuals for everyone: 1960-2025
Home >> Toyota >> 2009 >> Prius Base >> Repair and Diagnosis >> Electrical >> Body Electrical >> OEM System Circuits >> Headlight Beam Level Control >> Notes
April 5, 2026: LEMON Manuals is launched! Read the announcement.

Headlight Beam Level Control: Notes

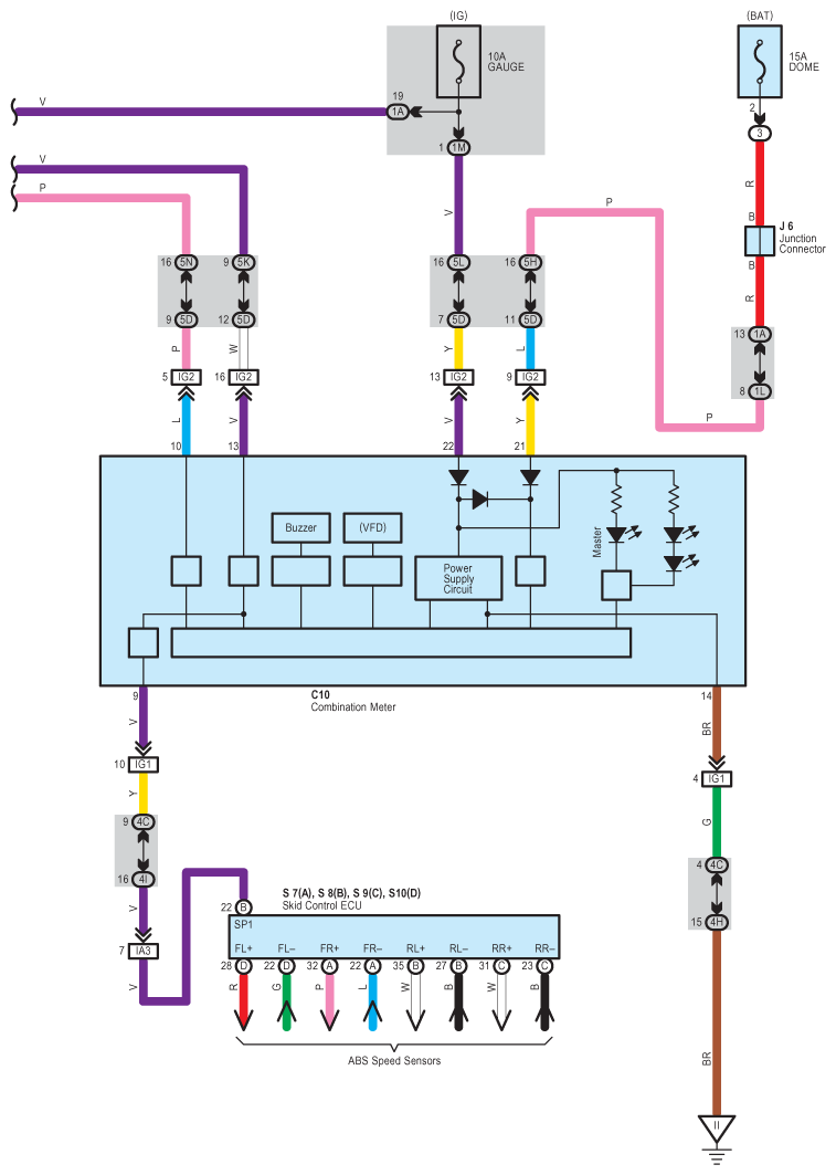
Fig 1: Headlight Beam Level Control - Circuit Diagram (1 Of 2)
G07610974Courtesy of © TOYOTA, LICENSE AGREEMENT TMS1002
Fig 2: Headlight Beam Level Control - Circuit Diagram (2 Of 2)
G07610975Courtesy of © TOYOTA, LICENSE AGREEMENT TMS1002