LEMON Manuals: Even more car manuals for everyone: 1960-2025
Home >> Toyota >> 2009 >> Prius Base >> Repair and Diagnosis >> Engine Performance >> Engine Control System >> SFI System >> System Diagram >> Notes
April 5, 2026: LEMON Manuals is launched! Read the announcement.

System Diagram: Notes

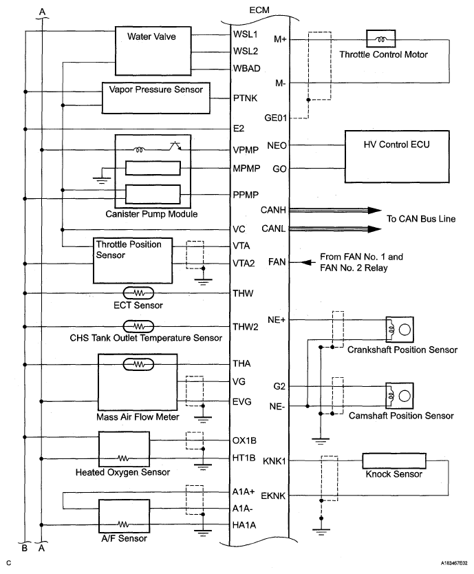
Fig 1: SFI System Diagram (1 Of 3)
G05673918Courtesy of © TOYOTA, LICENSE AGREEMENT TMS1002
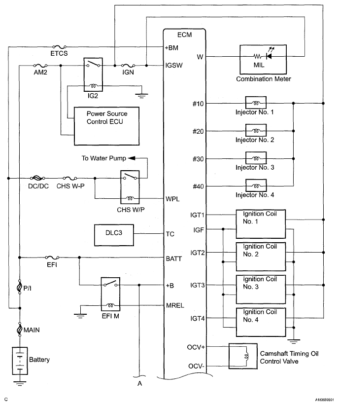
Fig 2: SFI System Diagram (2 Of 3)
G05673919Courtesy of © TOYOTA, LICENSE AGREEMENT TMS1002
Fig 3: SFI System Diagram (3 Of 3)
G05188600Courtesy of © TOYOTA, LICENSE AGREEMENT TMS1002
Fig 4: SFI System Communications Diagram
G05188601Courtesy of © TOYOTA, LICENSE AGREEMENT TMS1002