LEMON Manuals: Even more car manuals for everyone: 1960-2025
Home >> Toyota >> 2011 >> Corolla Base, Automatic >> Repair and Diagnosis >> Electrical >> Body Electrical >> OEM System Circuits >> Power Source (Except TMC Made) >> Notes
April 5, 2026: LEMON Manuals is launched! Read the announcement.

Power Source (Except TMC Made): Notes

Fig 1: Power Source (Except TMC Made) System Wiring Diagram (1 Of 5)
G07115086Courtesy of © TOYOTA, LICENSE AGREEMENT TMS1002
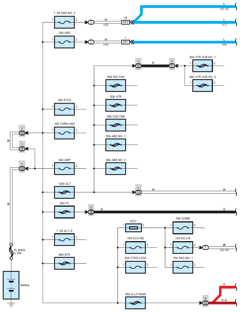
Fig 2: Power Source (Except TMC Made) System Wiring Diagram (2 Of 5)
G07115087Courtesy of © TOYOTA, LICENSE AGREEMENT TMS1002
Fig 3: Power Source (Except TMC Made) System Wiring Diagram (3 Of 5)
G07115088Courtesy of © TOYOTA, LICENSE AGREEMENT TMS1002
Fig 4: Power Source (Except TMC Made) System Wiring Diagram (4 Of 5)
G07115089Courtesy of © TOYOTA, LICENSE AGREEMENT TMS1002
Fig 5: Power Source (Except TMC Made) System Wiring Diagram (5 Of 5)
G07115090Courtesy of © TOYOTA, LICENSE AGREEMENT TMS1002