LEMON Manuals: Even more car manuals for everyone: 1960-2025
Home >> Toyota >> 2011 >> Corolla Base, Standard >> Repair and Diagnosis >> Electrical >> Body Electrical >> OEM System Circuits >> Cruise Control (TMC Made) >> Notes
April 5, 2026: LEMON Manuals is launched! Read the announcement.

Cruise Control (TMC Made): Notes

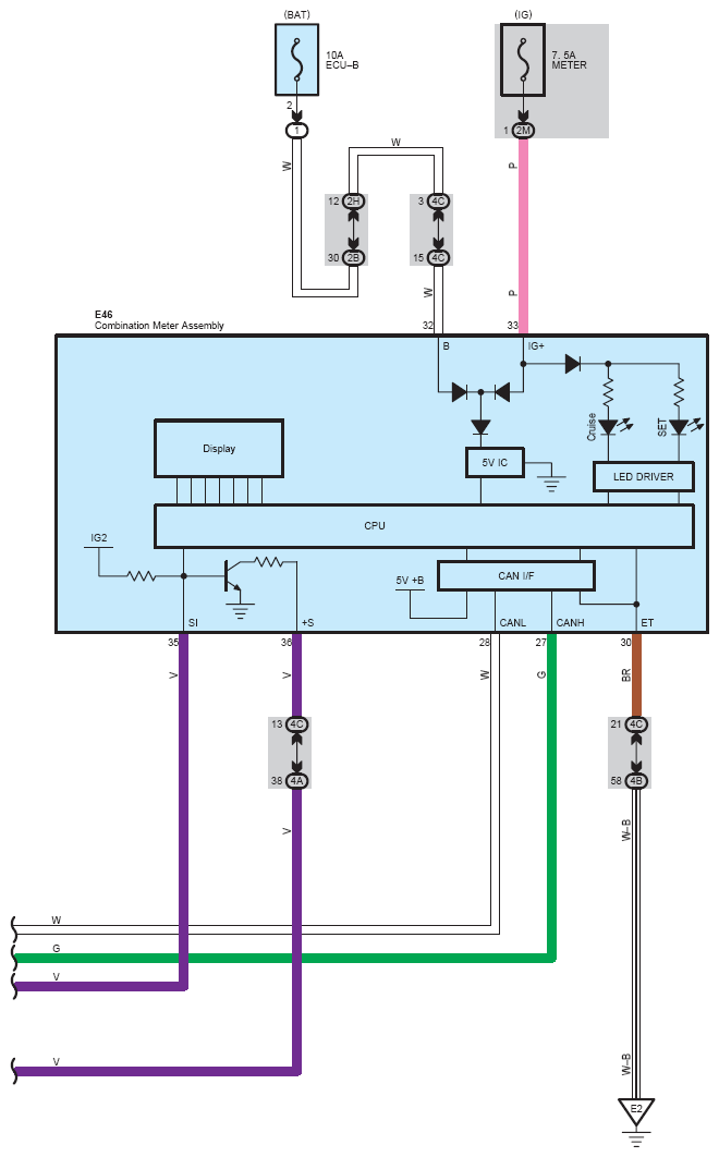
Fig 1: Cruise Control (TMC Made) System Wiring Diagram (1 Of 5)
G07115037Courtesy of © TOYOTA, LICENSE AGREEMENT TMS1002
Fig 2: Cruise Control (TMC Made) System Wiring Diagram (2 Of 5)
G07115038Courtesy of © TOYOTA, LICENSE AGREEMENT TMS1002
Fig 3: Cruise Control (TMC Made) System Wiring Diagram (3 Of 5)
G07115039Courtesy of © TOYOTA, LICENSE AGREEMENT TMS1002
Fig 4: Cruise Control (TMC Made) System Wiring Diagram (4 Of 5)
G07115040Courtesy of © TOYOTA, LICENSE AGREEMENT TMS1002
Fig 5: Cruise Control (TMC Made) System Wiring Diagram (5 Of 5)
G07115041Courtesy of © TOYOTA, LICENSE AGREEMENT TMS1002