LEMON Manuals: Even more car manuals for everyone: 1960-2025
Home >> Toyota >> 2011 >> Corolla Base, Standard >> Repair and Diagnosis >> Electrical >> Body Electrical >> OEM System Circuits >> Power Window (TMC Made) >> Notes
April 5, 2026: LEMON Manuals is launched! Read the announcement.

Power Window (TMC Made): Notes

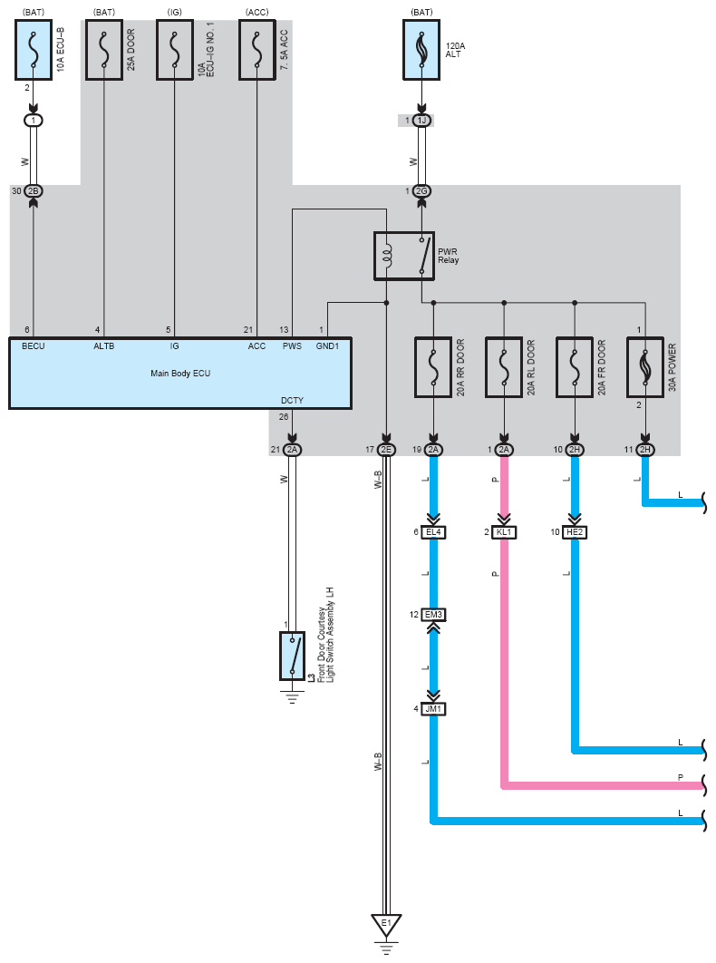
Fig 1: Power Window (TMC Made) System Wiring Diagram (1 Of 3)
G07115050Courtesy of © TOYOTA, LICENSE AGREEMENT TMS1002
Fig 2: Power Window (TMC Made) System Wiring Diagram (2 Of 3)
G07115051Courtesy of © TOYOTA, LICENSE AGREEMENT TMS1002
Fig 3: Power Window (TMC Made) System Wiring Diagram (3 Of 3)
G07115052Courtesy of © TOYOTA, LICENSE AGREEMENT TMS1002