LEMON Manuals: Even more car manuals for everyone: 1960-2025
Home >> Toyota >> 2011 >> Corolla Base, Standard >> Repair and Diagnosis >> Electrical >> Body Electrical >> OEM System Circuits >> Remote Control Mirror (Except TMC Made) >> Notes
April 5, 2026: LEMON Manuals is launched! Read the announcement.

Remote Control Mirror (Except TMC Made): Notes

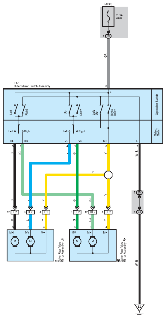
Fig 1: Remote Control Mirror (Except TMC Made) System Wiring Diagram
G07115233Courtesy of © TOYOTA, LICENSE AGREEMENT TMS1002