LEMON Manuals: Even more car manuals for everyone: 1960-2025
Home >> Toyota >> 2011 >> Land Cruiser >> Repair and Diagnosis >> Electrical >> Body Electrical >> OEM System Circuits >> Multi Mode 4WD >> Notes
April 5, 2026: LEMON Manuals is launched! Read the announcement.

Multi Mode 4WD: Notes

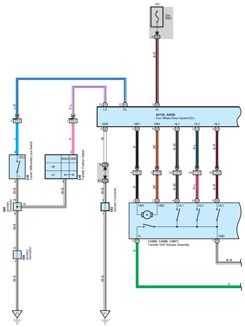
Fig 1: Multi Mode 4WD System Wiring Diagram (1 Of 7)
G07116058Courtesy of © TOYOTA, LICENSE AGREEMENT TMS1002
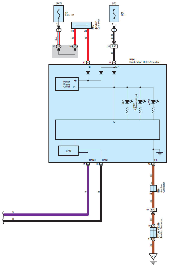
Fig 2: Multi Mode 4WD System Wiring Diagram (2 Of 7)
G07116059Courtesy of © TOYOTA, LICENSE AGREEMENT TMS1002
Fig 3: Multi Mode 4WD System Wiring Diagram (3 Of 7)
G07116060Courtesy of © TOYOTA, LICENSE AGREEMENT TMS1002
Fig 4: Multi Mode 4WD System Wiring Diagram (4 Of 7)
G07116061Courtesy of © TOYOTA, LICENSE AGREEMENT TMS1002
Fig 5: Multi Mode 4WD System Wiring Diagram (5 Of 7)
G07116062Courtesy of © TOYOTA, LICENSE AGREEMENT TMS1002
Fig 6: Multi Mode 4WD System Wiring Diagram (6 Of 7)
G07116063Courtesy of © TOYOTA, LICENSE AGREEMENT TMS1002
Fig 7: Multi Mode 4WD System Wiring Diagram (7 Of 7)
G07116064Courtesy of © TOYOTA, LICENSE AGREEMENT TMS1002