LEMON Manuals: Even more car manuals for everyone: 1960-2025
Home >> Toyota >> 2011 >> Land Cruiser >> Repair and Diagnosis >> Electrical >> Body Electrical >> OEM System Circuits >> Power Window >> Notes
April 5, 2026: LEMON Manuals is launched! Read the announcement.

Power Window: Notes

Fig 1: Power Window System Wiring Diagram (1 Of 7)
G07116034Courtesy of © TOYOTA, LICENSE AGREEMENT TMS1002
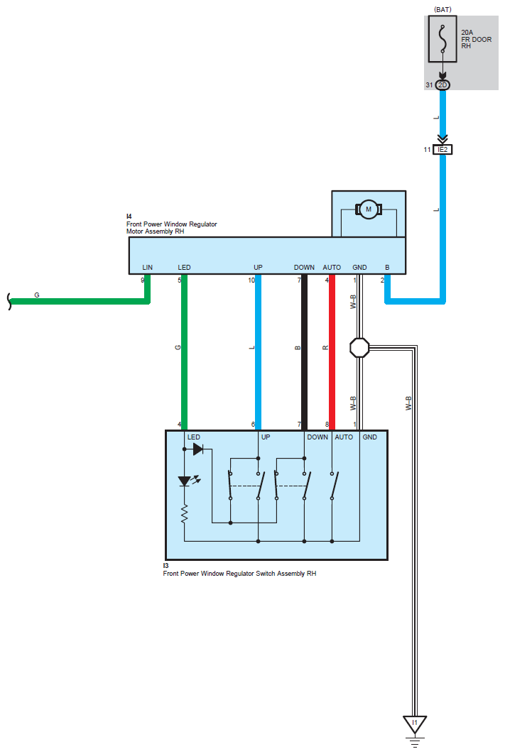
Fig 2: Power Window System Wiring Diagram (2 Of 7)
G07116035Courtesy of © TOYOTA, LICENSE AGREEMENT TMS1002
Fig 3: Power Window System Wiring Diagram (3 Of 7)
G07116036Courtesy of © TOYOTA, LICENSE AGREEMENT TMS1002
Fig 4: Power Window System Wiring Diagram (4 Of 7)
G07116037Courtesy of © TOYOTA, LICENSE AGREEMENT TMS1002
Fig 5: Power Window System Wiring Diagram (5 Of 7)
G07116038Courtesy of © TOYOTA, LICENSE AGREEMENT TMS1002
Fig 6: Power Window System Wiring Diagram (6 Of 7)
G07116039Courtesy of © TOYOTA, LICENSE AGREEMENT TMS1002
Fig 7: Power Window System Wiring Diagram (7 Of 7)
G07116040Courtesy of © TOYOTA, LICENSE AGREEMENT TMS1002