LEMON Manuals: Even more car manuals for everyone: 1960-2025
Home >> Toyota >> 2011 >> Matrix Base, Automatic >> Repair and Diagnosis >> Electrical >> Body Electrical >> OEM System Circuits >> Combination Meter >> Notes
April 5, 2026: LEMON Manuals is launched! Read the announcement.

Combination Meter: Notes

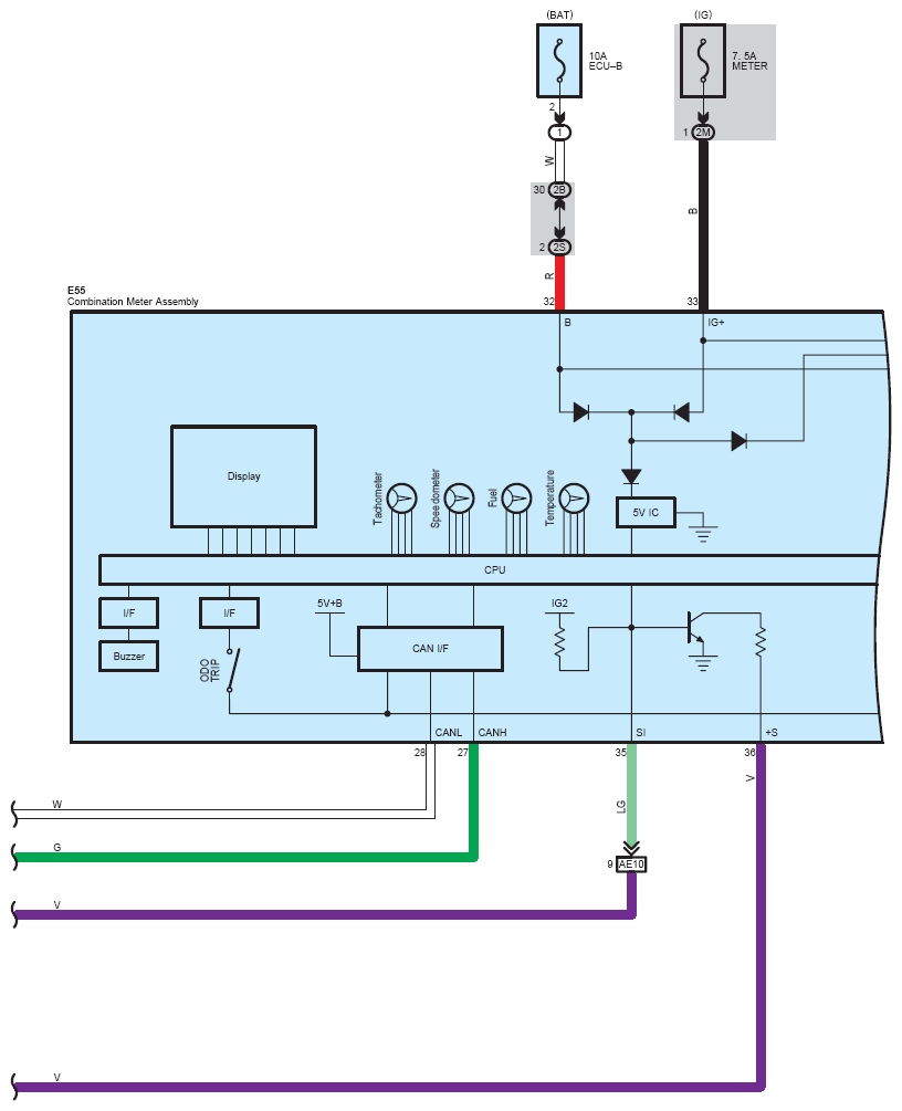
Fig 1: Combination Meter System Wiring Diagram (1 Of 6)
G07114337Courtesy of © TOYOTA, LICENSE AGREEMENT TMS1002
Fig 2: Combination Meter System Wiring Diagram (2 Of 6)
G07114338Courtesy of © TOYOTA, LICENSE AGREEMENT TMS1002
Fig 3: Combination Meter System Wiring Diagram (3 Of 6)
G07114339Courtesy of © TOYOTA, LICENSE AGREEMENT TMS1002
Fig 4: Combination Meter System Wiring Diagram (4 Of 6)
G07114340Courtesy of © TOYOTA, LICENSE AGREEMENT TMS1002
Fig 5: Combination Meter System Wiring Diagram (5 Of 6)
G07114341Courtesy of © TOYOTA, LICENSE AGREEMENT TMS1002
Fig 6: Combination Meter System Wiring Diagram (6 Of 6)
G07114342Courtesy of © TOYOTA, LICENSE AGREEMENT TMS1002