LEMON Manuals: Even more car manuals for everyone: 1960-2025
Home >> Toyota >> 2011 >> Matrix Base, Automatic >> Repair and Diagnosis >> Electrical >> Body Electrical >> OEM System Circuits >> Ignition >> Notes
April 5, 2026: LEMON Manuals is launched! Read the announcement.

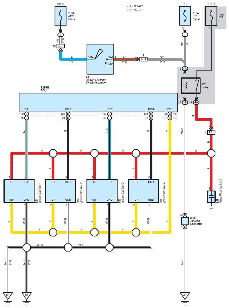
OEM System Circuits: Ignition: Notes

Fig 1: Ignition System Wiring Diagram
G07114207Courtesy of © TOYOTA, LICENSE AGREEMENT TMS1002