LEMON Manuals: Even more car manuals for everyone: 1960-2025
Home >> Toyota >> 2011 >> RAV4 Base, 2.5 F, AWD >> Repair and Diagnosis >> Electrical >> Body Electrical >> OEM System Circuits >> Starting (w/o Smart Key System) >> Notes
April 5, 2026: LEMON Manuals is launched! Read the announcement.

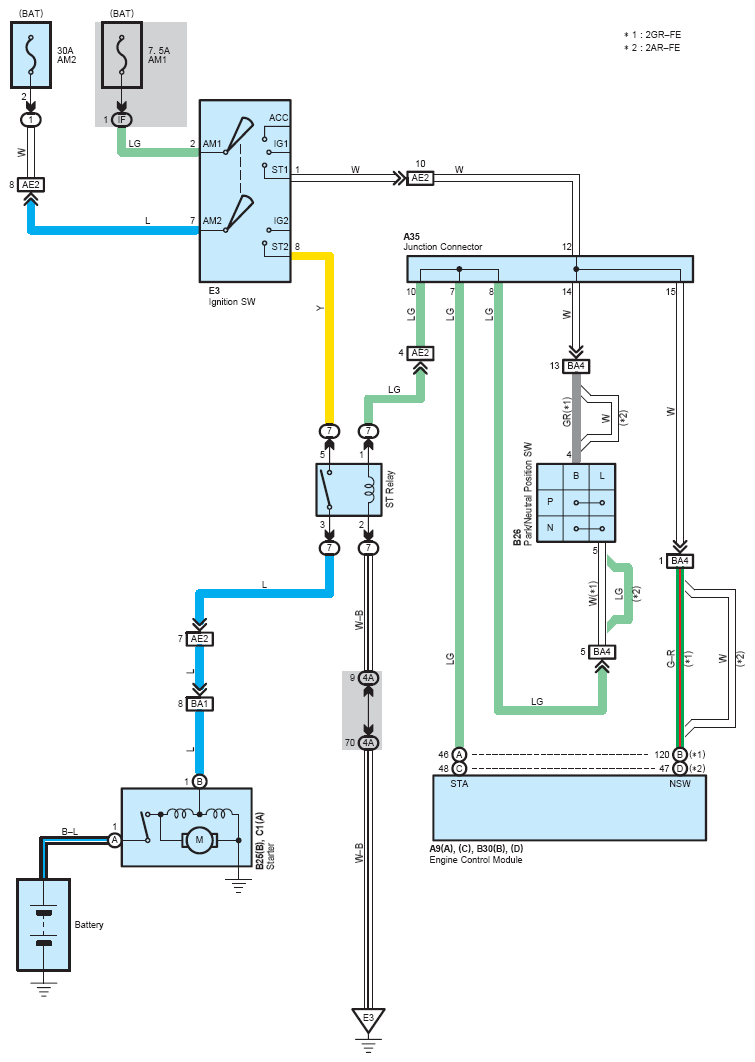
Starting (w/o Smart Key System): Notes

Fig 1: Starting (w/o Smart Key System) Wiring Diagram
G07130488Courtesy of © TOYOTA, LICENSE AGREEMENT TMS1002