LEMON Manuals: Even more car manuals for everyone: 1960-2025
Home >> Toyota >> 2012 >> 4Runner Trail >> Repair and Diagnosis >> Electrical >> Body Electrical >> OEM System Circuits >> Engine Immobilizer System (w/Smart Key System), Smart Key System, Starting (w/Smart Key System), Steering Lock (w/Smart Key System) and Wireless Door Lock Control (w/Smart Key System) >> Notes
April 5, 2026: LEMON Manuals is launched! Read the announcement.

Engine Immobilizer System (w/Smart Key System), Smart Key System, Starting (w/Smart Key System), Steering Lock (w/Smart Key System) and Wireless Door Lock Control (w/Smart Key System): Notes

Fig 1: Engine Immobilizer, Smart Key, Starting, Steering Lock And Wireless Door Lock Control System (W/ Smart Key) Wiring Diagram (1 Of 20)
G08792176Courtesy of © TOYOTA, LICENSE AGREEMENT TMS1002
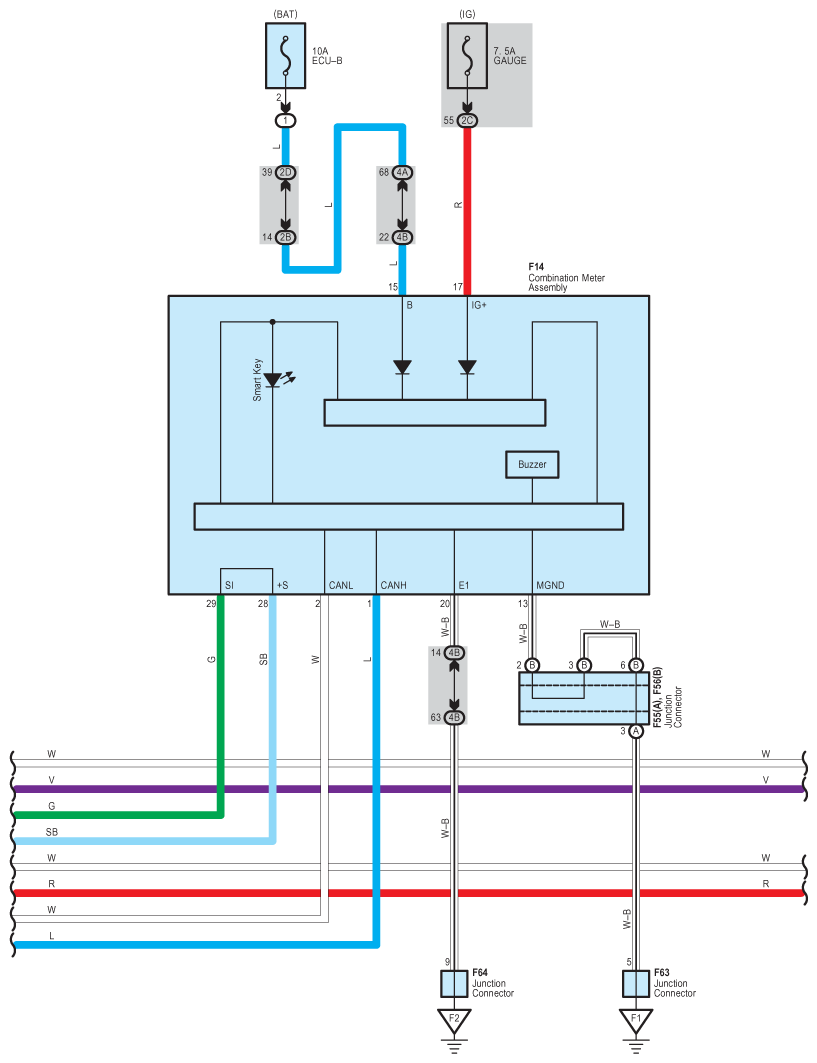
Fig 2: Engine Immobilizer, Smart Key, Starting, Steering Lock And Wireless Door Lock Control System W/ Smart Key) Wiring Diagram (2 Of 20)
G08792177Courtesy of © TOYOTA, LICENSE AGREEMENT TMS1002
Fig 3: Engine Immobilizer, Smart Key, Starting, Steering Lock And Wireless Door Lock Control System W/ Smart Key) Wiring Diagram (3 Of 20)
G08792178Courtesy of © TOYOTA, LICENSE AGREEMENT TMS1002
Fig 4: Engine Immobilizer, Smart Key, Starting, Steering Lock And Wireless Door Lock Control System W/ Smart Key) Wiring Diagram (4 Of 20)
G08792179Courtesy of © TOYOTA, LICENSE AGREEMENT TMS1002
Fig 5: Engine Immobilizer, Smart Key, Starting, Steering Lock And Wireless Door Lock Control System W/ Smart Key) Wiring Diagram (5 Of 20)
G08792180Courtesy of © TOYOTA, LICENSE AGREEMENT TMS1002
Fig 6: Engine Immobilizer, Smart Key, Starting, Steering Lock And Wireless Door Lock Control System W/ Smart Key) Wiring Diagram (6 Of 20)
G08792181Courtesy of © TOYOTA, LICENSE AGREEMENT TMS1002
Fig 7: Engine Immobilizer, Smart Key, Starting, Steering Lock And Wireless Door Lock Control System W/ Smart Key) Wiring Diagram (7 Of 20)
G08792182Courtesy of © TOYOTA, LICENSE AGREEMENT TMS1002
Fig 8: Engine Immobilizer, Smart Key, Starting, Steering Lock And Wireless Door Lock Control System W/ Smart Key) Wiring Diagram (8 Of 20)
G08792183Courtesy of © TOYOTA, LICENSE AGREEMENT TMS1002
Fig 9: Engine Immobilizer, Smart Key, Starting, Steering Lock And Wireless Door Lock Control System W/ Smart Key) Wiring Diagram (9 Of 20)
G08792184Courtesy of © TOYOTA, LICENSE AGREEMENT TMS1002
Fig 10: Engine Immobilizer, Smart Key, Starting, Steering Lock And Wireless Door Lock Control System W/ Smart Key) Wiring Diagram (10 Of 20)
G08792185Courtesy of © TOYOTA, LICENSE AGREEMENT TMS1002
Fig 11: Engine Immobilizer, Smart Key, Starting, Steering Lock And Wireless Door Lock Control System W/ Smart Key) Wiring Diagram (11 Of 20)
G08792186Courtesy of © TOYOTA, LICENSE AGREEMENT TMS1002
Fig 12: Engine Immobilizer, Smart Key, Starting, Steering Lock And Wireless Door Lock Control System W/ Smart Key) Wiring Diagram (12 Of 20)
G08792187Courtesy of © TOYOTA, LICENSE AGREEMENT TMS1002
Fig 13: Engine Immobilizer, Smart Key, Starting, Steering Lock And Wireless Door Lock Control System W/ Smart Key) Wiring Diagram (13 Of 20)
G08792188Courtesy of © TOYOTA, LICENSE AGREEMENT TMS1002
Fig 14: Engine Immobilizer, Smart Key, Starting, Steering Lock And Wireless Door Lock Control System W/ Smart Key) Wiring Diagram (14 Of 20)
G08792189Courtesy of © TOYOTA, LICENSE AGREEMENT TMS1002
Fig 15: Engine Immobilizer, Smart Key, Starting, Steering Lock And Wireless Door Lock Control System W/ Smart Key) Wiring Diagram (15 Of 20)
G08792190Courtesy of © TOYOTA, LICENSE AGREEMENT TMS1002
Fig 16: Engine Immobilizer, Smart Key, Starting, Steering Lock And Wireless Door Lock Control System W/ Smart Key) Wiring Diagram (16 Of 20)
G08792191Courtesy of © TOYOTA, LICENSE AGREEMENT TMS1002
Fig 17: Engine Immobilizer, Smart Key, Starting, Steering Lock And Wireless Door Lock Control System W/ Smart Key) Wiring Diagram (17 Of 20)
G08792192Courtesy of © TOYOTA, LICENSE AGREEMENT TMS1002
Fig 18: Engine Immobilizer, Smart Key, Starting, Steering Lock And Wireless Door Lock Control System W/ Smart Key) Wiring Diagram (18 Of 20)
G08792193Courtesy of © TOYOTA, LICENSE AGREEMENT TMS1002
Fig 19: Engine Immobilizer, Smart Key, Starting, Steering Lock And Wireless Door Lock Control System W/ Smart Key) Wiring Diagram (19 Of 20)
G08792194Courtesy of © TOYOTA, LICENSE AGREEMENT TMS1002
Fig 20: Engine Immobilizer, Smart Key, Starting, Steering Lock And Wireless Door Lock Control System W/ Smart Key) Wiring Diagram (20 Of 20)
G08792195Courtesy of © TOYOTA, LICENSE AGREEMENT TMS1002