LEMON Manuals: Even more car manuals for everyone: 1960-2025
Home >> Toyota >> 2012 >> Avalon Base >> Repair and Diagnosis >> Electrical >> Body Electrical >> OEM System Circuits >> Horn >> Notes
April 5, 2026: LEMON Manuals is launched! Read the announcement.

OEM System Circuits: Horn: Notes

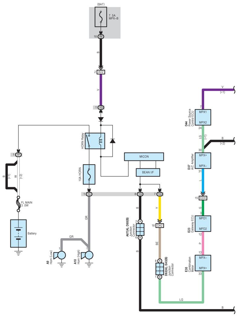
Fig 1: Horn System Wiring Diagram (1 Of 2)
G08797389Courtesy of © TOYOTA, LICENSE AGREEMENT TMS1002
Fig 2: Horn System Wiring Diagram (2 Of 2)
G08797390Courtesy of © TOYOTA, LICENSE AGREEMENT TMS1002