LEMON Manuals: Even more car manuals for everyone: 1960-2025
Home >> Toyota >> 2012 >> Avalon Base >> Repair and Diagnosis >> Electrical >> Body Electrical >> OEM System Circuits >> Remote Control Mirror (w/Driving Position Memory) >> Notes
April 5, 2026: LEMON Manuals is launched! Read the announcement.

Remote Control Mirror (w/Driving Position Memory): Notes

Fig 1: Remote Control Mirror W/ Driving Position Memory) System Wiring Diagram (1 Of 4)
G08797487Courtesy of © TOYOTA, LICENSE AGREEMENT TMS1002
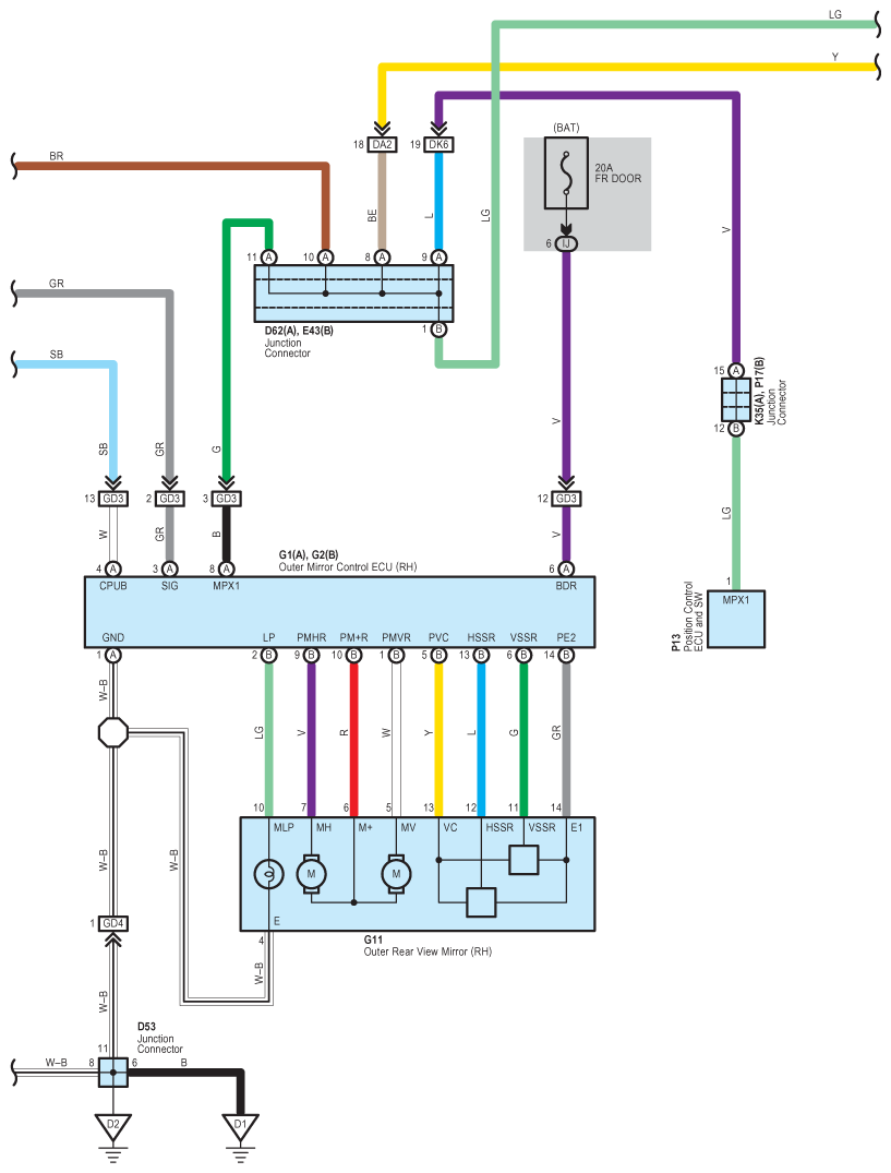
Fig 2: Remote Control Mirror W/ Driving Position Memory) System Wiring Diagram (2 Of 4)
G08797488Courtesy of © TOYOTA, LICENSE AGREEMENT TMS1002
Fig 3: Remote Control Mirror W/ Driving Position Memory) System Wiring Diagram (3 Of 4)
G08797489Courtesy of © TOYOTA, LICENSE AGREEMENT TMS1002
Fig 4: Remote Control Mirror W/ Driving Position Memory) System Wiring Diagram (4 Of 4)
G08797490Courtesy of © TOYOTA, LICENSE AGREEMENT TMS1002