LEMON Manuals: Even more car manuals for everyone: 1960-2025
Home >> Toyota >> 2012 >> Avalon Base >> Repair and Diagnosis >> Electrical >> Body Electrical >> OEM System Circuits >> Wireless Door Lock Control (w/Smart Key System) >> Notes
April 5, 2026: LEMON Manuals is launched! Read the announcement.

Wireless Door Lock Control (w/Smart Key System): Notes

Fig 1: Wireless Door Lock Control W/ Smart Key System) System Wiring Diagram (1 Of 14)
G08797405Courtesy of © TOYOTA, LICENSE AGREEMENT TMS1002
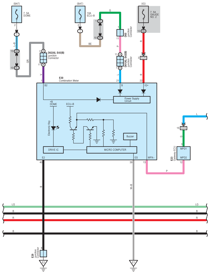
Fig 2: Wireless Door Lock Control W/ Smart Key System) System Wiring Diagram (2 Of 14)
G08797406Courtesy of © TOYOTA, LICENSE AGREEMENT TMS1002
Fig 3: Wireless Door Lock Control W/ Smart Key System) System Wiring Diagram (3 Of 14)
G08797407Courtesy of © TOYOTA, LICENSE AGREEMENT TMS1002
Fig 4: Wireless Door Lock Control W/ Smart Key System) System Wiring Diagram (4 Of 14)
G08797408Courtesy of © TOYOTA, LICENSE AGREEMENT TMS1002
Fig 5: Wireless Door Lock Control W/ Smart Key System) System Wiring Diagram (5 Of 14)
G08797409Courtesy of © TOYOTA, LICENSE AGREEMENT TMS1002
Fig 6: Wireless Door Lock Control W/ Smart Key System) System Wiring Diagram (6 Of 14)
G08797410Courtesy of © TOYOTA, LICENSE AGREEMENT TMS1002
Fig 7: Wireless Door Lock Control W/ Smart Key System) System Wiring Diagram (7 Of 14)
G08797411Courtesy of © TOYOTA, LICENSE AGREEMENT TMS1002
Fig 8: Wireless Door Lock Control W/ Smart Key System) System Wiring Diagram (8 Of 14)
G08797412Courtesy of © TOYOTA, LICENSE AGREEMENT TMS1002
Fig 9: Wireless Door Lock Control W/ Smart Key System) System Wiring Diagram (9 Of 14)
G08797413Courtesy of © TOYOTA, LICENSE AGREEMENT TMS1002
Fig 10: Wireless Door Lock Control W/ Smart Key System) System Wiring Diagram (10 Of 14)
G08797414Courtesy of © TOYOTA, LICENSE AGREEMENT TMS1002
Fig 11: Wireless Door Lock Control W/ Smart Key System) System Wiring Diagram (11 Of 14)
G08797415Courtesy of © TOYOTA, LICENSE AGREEMENT TMS1002
Fig 12: Wireless Door Lock Control W/ Smart Key System) System Wiring Diagram (12 Of 14)
G08797416Courtesy of © TOYOTA, LICENSE AGREEMENT TMS1002
Fig 13: Wireless Door Lock Control W/ Smart Key System) System Wiring Diagram (13 Of 14)
G08797417Courtesy of © TOYOTA, LICENSE AGREEMENT TMS1002
Fig 14: Wireless Door Lock Control W/ Smart Key System) System Wiring Diagram (14 Of 14)
G08797418Courtesy of © TOYOTA, LICENSE AGREEMENT TMS1002