LEMON Manuals: Even more car manuals for everyone: 1960-2025
Home >> Toyota >> 2012 >> Matrix Base, Automatic Trans >> Repair and Diagnosis >> Electrical >> Body Electrical >> OEM System Circuits >> Power Window >> Notes
April 5, 2026: LEMON Manuals is launched! Read the announcement.

Power Window: Notes

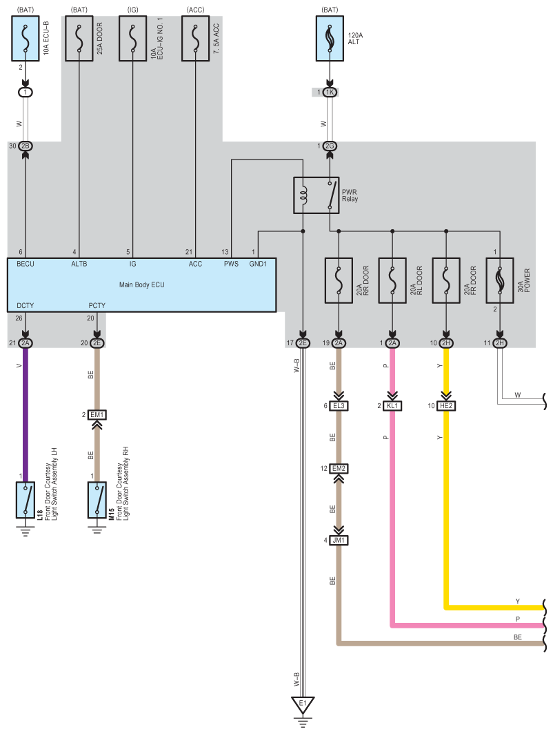
Fig 1: Power Window Wiring Diagram (1 Of 3)
G08798913Courtesy of © TOYOTA, LICENSE AGREEMENT TMS1002
Fig 2: Power Window Wiring Diagram (2 Of 3)
G08798914Courtesy of © TOYOTA, LICENSE AGREEMENT TMS1002
Fig 3: Power Window Wiring Diagram (3 Of 3)
G08798915Courtesy of © TOYOTA, LICENSE AGREEMENT TMS1002