LEMON Manuals: Even more car manuals for everyone: 1960-2025
Home >> Toyota >> 2012 >> Matrix Base, Standard Trans >> Repair and Diagnosis >> External Pages >> Different car >> Section 365 (OEM System Circuits) >> Engine Control (2AZ-FE) (Except TMC Made) >> Notes
April 5, 2026: LEMON Manuals is launched! Read the announcement.

Engine Control (2AZ-FE) (Except TMC Made): Notes

WARNING: This page is about a different car, the 2012 Toyota Corolla. However, it is still accessible from the selected car via links, so may be relevant.
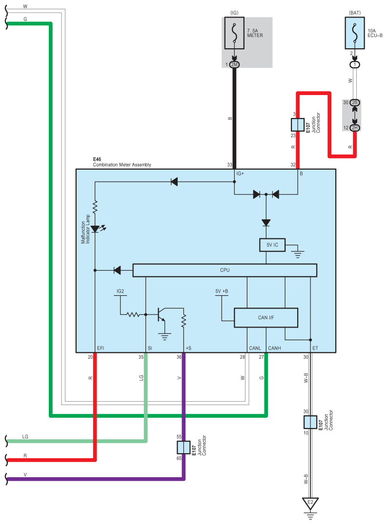
Fig 1: Engine Control (2AZ-FE) System Wiring Diagram (Except TMC Made; 1 Of 9)
G08842864Courtesy of © TOYOTA, LICENSE AGREEMENT TMS1002
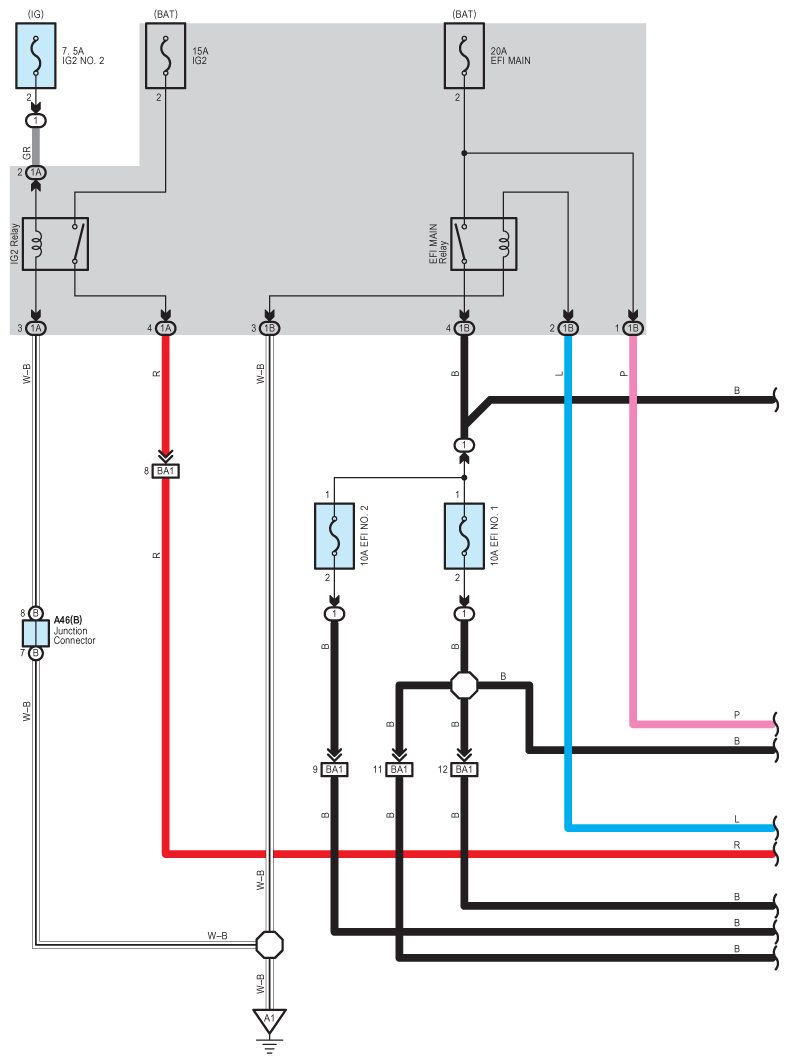
Fig 2: Engine Control (2AZ-FE) System Wiring Diagram (Except TMC Made; 2 Of 9)
G08842865Courtesy of © TOYOTA, LICENSE AGREEMENT TMS1002
Fig 3: Engine Control (2AZ-FE) System Wiring Diagram (Except TMC Made; 3 Of 9)
G08842866Courtesy of © TOYOTA, LICENSE AGREEMENT TMS1002
Fig 4: Engine Control (2AZ-FE) System Wiring Diagram (Except TMC Made; 4 Of 9)
G08842867Courtesy of © TOYOTA, LICENSE AGREEMENT TMS1002
Fig 5: Engine Control (2AZ-FE) System Wiring Diagram (Except TMC Made; 5 Of 9)
G08842868Courtesy of © TOYOTA, LICENSE AGREEMENT TMS1002
Fig 6: Engine Control (2AZ-FE) System Wiring Diagram (Except TMC Made; 6 Of 9)
G08842869Courtesy of © TOYOTA, LICENSE AGREEMENT TMS1002
Fig 7: Engine Control (2AZ-FE) System Wiring Diagram (Except TMC Made; 7 Of 9)
G08842870Courtesy of © TOYOTA, LICENSE AGREEMENT TMS1002
Fig 8: Engine Control (2AZ-FE) System Wiring Diagram (Except TMC Made; 8 Of 9)
G08842871Courtesy of © TOYOTA, LICENSE AGREEMENT TMS1002
Fig 9: Engine Control (2AZ-FE) System Wiring Diagram (Except TMC Made; 9 Of 9)
G08842872Courtesy of © TOYOTA, LICENSE AGREEMENT TMS1002