LEMON Manuals: Even more car manuals for everyone: 1960-2025
Home >> Toyota >> 2012 >> Prius Two >> Repair and Diagnosis >> Electrical >> Body Electrical >> OEM System Circuits >> Hybrid System and Shift Control System >> Notes
April 5, 2026: LEMON Manuals is launched! Read the announcement.

Hybrid System and Shift Control System: Notes

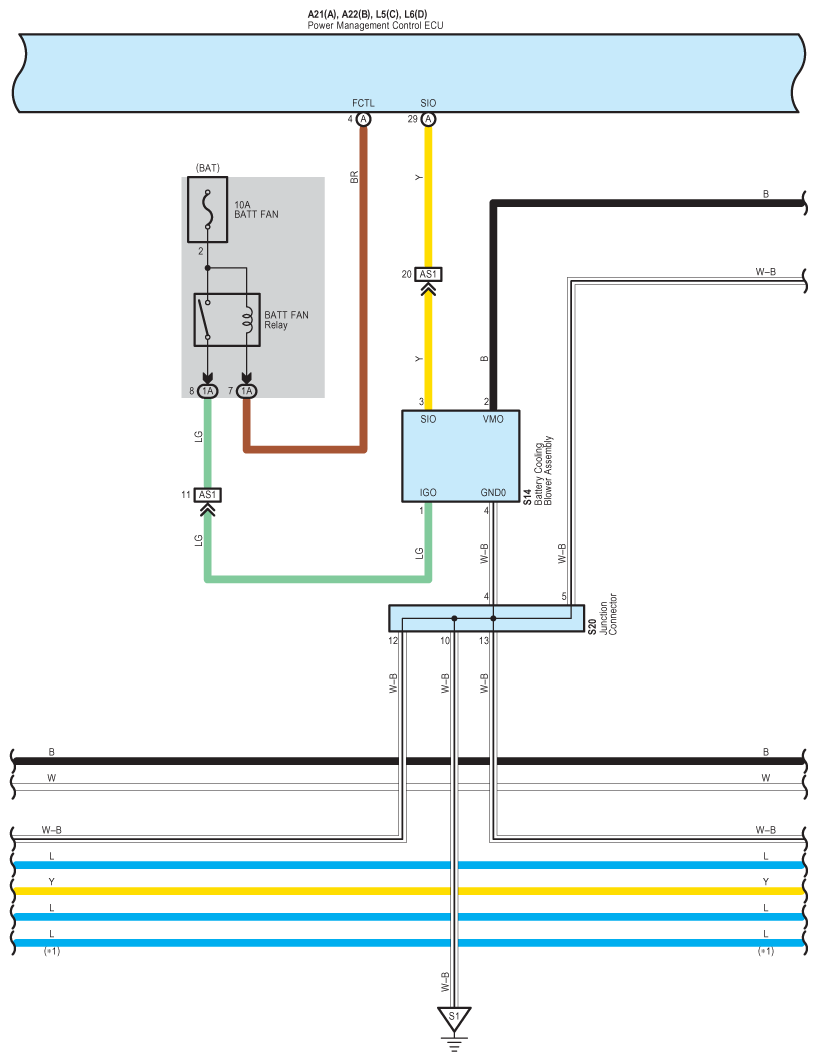
Fig 1: Hybrid System And Shift Control System Wiring Diagram (1 Of 28)
G08849950Courtesy of © TOYOTA, LICENSE AGREEMENT TMS1002
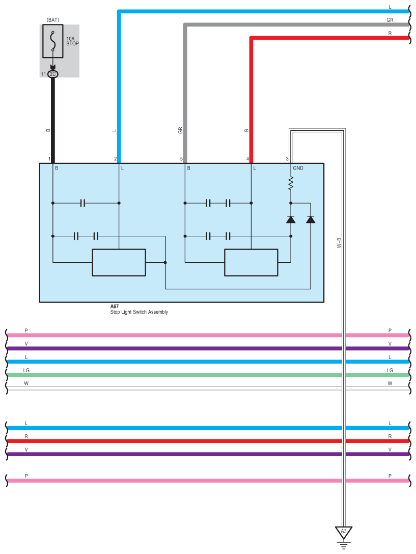
Fig 2: Hybrid System And Shift Control System Wiring Diagram (2 Of 28)
G08849951Courtesy of © TOYOTA, LICENSE AGREEMENT TMS1002
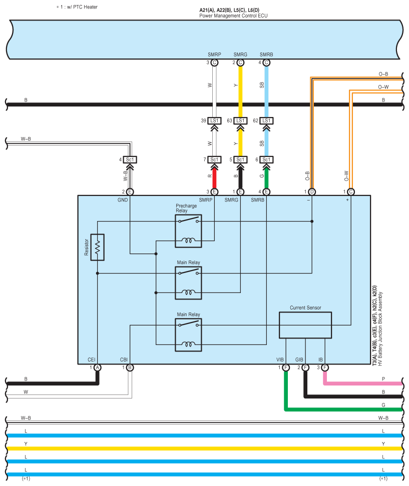
Fig 3: Hybrid System And Shift Control System Wiring Diagram (3 Of 28)
G08849952Courtesy of © TOYOTA, LICENSE AGREEMENT TMS1002
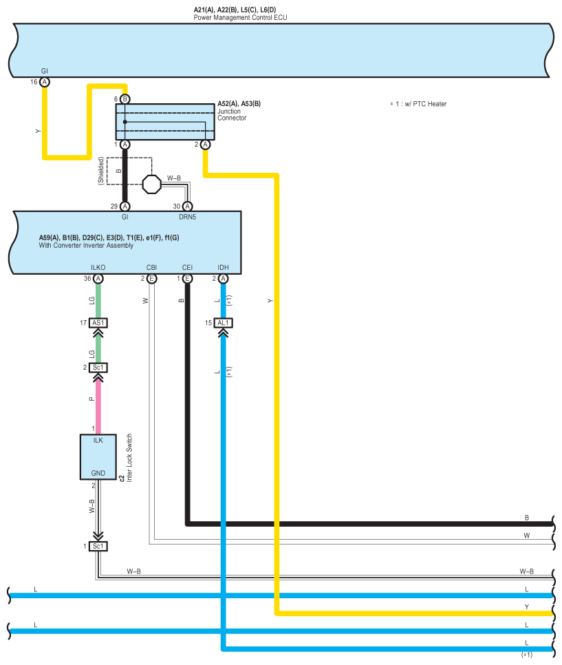
Fig 4: Hybrid System And Shift Control System Wiring Diagram (4 Of 28)
G08849953Courtesy of © TOYOTA, LICENSE AGREEMENT TMS1002
Fig 5: Hybrid System And Shift Control System Wiring Diagram (5 Of 28)
G08849954Courtesy of © TOYOTA, LICENSE AGREEMENT TMS1002
Fig 6: Hybrid System And Shift Control System Wiring Diagram (6 Of 28)
G08849955Courtesy of © TOYOTA, LICENSE AGREEMENT TMS1002
Fig 7: Hybrid System And Shift Control System Wiring Diagram (7 Of 28)
G08849956Courtesy of © TOYOTA, LICENSE AGREEMENT TMS1002
Fig 8: Hybrid System And Shift Control System Wiring Diagram (8 Of 28)
G08849957Courtesy of © TOYOTA, LICENSE AGREEMENT TMS1002
Fig 9: Hybrid System And Shift Control System Wiring Diagram (9 Of 28)
G08849958Courtesy of © TOYOTA, LICENSE AGREEMENT TMS1002
Fig 10: Hybrid System And Shift Control System Wiring Diagram (10 Of 28)
G08849959Courtesy of © TOYOTA, LICENSE AGREEMENT TMS1002
Fig 11: Hybrid System And Shift Control System Wiring Diagram (11 Of 28)
G08849960Courtesy of © TOYOTA, LICENSE AGREEMENT TMS1002
Fig 12: Hybrid System And Shift Control System Wiring Diagram (12 Of 28)
G08849961Courtesy of © TOYOTA, LICENSE AGREEMENT TMS1002
Fig 13: Hybrid System And Shift Control System Wiring Diagram (13 Of 28)
G08849962Courtesy of © TOYOTA, LICENSE AGREEMENT TMS1002
Fig 14: Hybrid System And Shift Control System Wiring Diagram (14 Of 28)
G08849963Courtesy of © TOYOTA, LICENSE AGREEMENT TMS1002
Fig 15: Hybrid System And Shift Control System Wiring Diagram (15 Of 28)
G08849964Courtesy of © TOYOTA, LICENSE AGREEMENT TMS1002
Fig 16: Hybrid System And Shift Control System Wiring Diagram (16 Of 28)
G08849965Courtesy of © TOYOTA, LICENSE AGREEMENT TMS1002
Fig 17: Hybrid System And Shift Control System Wiring Diagram (17 Of 28)
G08849966Courtesy of © TOYOTA, LICENSE AGREEMENT TMS1002
Fig 18: Hybrid System And Shift Control System Wiring Diagram (18 Of 28)
G08849967Courtesy of © TOYOTA, LICENSE AGREEMENT TMS1002
Fig 19: Hybrid System And Shift Control System Wiring Diagram (19 Of 28)
G08849968Courtesy of © TOYOTA, LICENSE AGREEMENT TMS1002
Fig 20: Hybrid System And Shift Control System Wiring Diagram (20 Of 28)
G08849969Courtesy of © TOYOTA, LICENSE AGREEMENT TMS1002
Fig 21: Hybrid System And Shift Control System Wiring Diagram (21 Of 28)
G08849970Courtesy of © TOYOTA, LICENSE AGREEMENT TMS1002
Fig 22: Hybrid System And Shift Control System Wiring Diagram (22 Of 28)
G08849971Courtesy of © TOYOTA, LICENSE AGREEMENT TMS1002
Fig 23: Hybrid System And Shift Control System Wiring Diagram (23 Of 28)
G08849972Courtesy of © TOYOTA, LICENSE AGREEMENT TMS1002
Fig 24: Hybrid System And Shift Control System Wiring Diagram (24 Of 28)
G08849973Courtesy of © TOYOTA, LICENSE AGREEMENT TMS1002
Fig 25: Hybrid System And Shift Control System Wiring Diagram (25 Of 28)
G08849974Courtesy of © TOYOTA, LICENSE AGREEMENT TMS1002
Fig 26: Hybrid System And Shift Control System Wiring Diagram (26 Of 28)
G08849975Courtesy of © TOYOTA, LICENSE AGREEMENT TMS1002
Fig 27: Hybrid System And Shift Control System Wiring Diagram (27 Of 28)
G08849976Courtesy of © TOYOTA, LICENSE AGREEMENT TMS1002
Fig 28: Hybrid System And Shift Control System Wiring Diagram (28 Of 28)
G08849977Courtesy of © TOYOTA, LICENSE AGREEMENT TMS1002