LEMON Manuals: Even more car manuals for everyone: 1960-2025
Home >> Toyota >> 2012 >> Prius Two >> Repair and Diagnosis >> Electrical >> Body Electrical >> OEM System Circuits >> SRS >> Notes
April 5, 2026: LEMON Manuals is launched! Read the announcement.

OEM System Circuits: SRS: Notes

NOTE: When inspecting or repairing the SRS, perform service in accordance with the following precautionary instructions and the procedures.
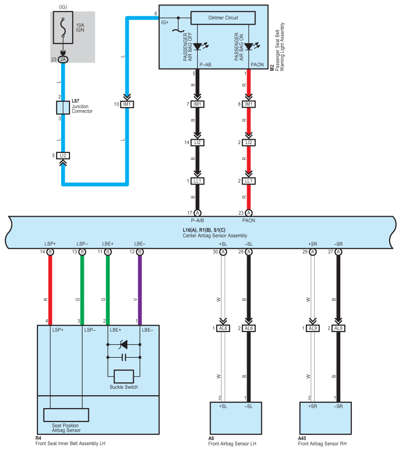
Fig 2: SRS Wiring Diagram (1 Of 7)
G08850098Courtesy of © TOYOTA, LICENSE AGREEMENT TMS1002
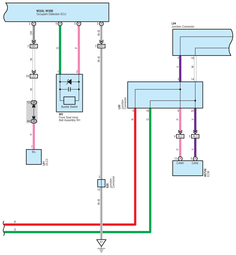
Fig 3: SRS Wiring Diagram (2 Of 7)
G08850099Courtesy of © TOYOTA, LICENSE AGREEMENT TMS1002
Fig 4: SRS Wiring Diagram (3 Of 7)
G08850100Courtesy of © TOYOTA, LICENSE AGREEMENT TMS1002
Fig 5: SRS Wiring Diagram (4 Of 7)
G08850101Courtesy of © TOYOTA, LICENSE AGREEMENT TMS1002
Fig 6: SRS Wiring Diagram (5 Of 7)
G08850102Courtesy of © TOYOTA, LICENSE AGREEMENT TMS1002
Fig 7: SRS Wiring Diagram (6 Of 7)
G08850103Courtesy of © TOYOTA, LICENSE AGREEMENT TMS1002
Fig 8: SRS Wiring Diagram (7 Of 7)
G08850104Courtesy of © TOYOTA, LICENSE AGREEMENT TMS1002