LEMON Manuals: Even more car manuals for everyone: 1960-2025
Home >> Toyota >> 2012 >> Prius Two >> Repair and Diagnosis >> Electrical >> Body Electrical >> OEM System Circuits >> Stop Light >> Notes
April 5, 2026: LEMON Manuals is launched! Read the announcement.

Stop Light: Notes

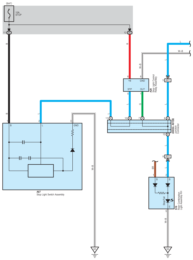
Fig 1: Stop Light System Wiring Diagram (1 Of 2)
G08850049Courtesy of © TOYOTA, LICENSE AGREEMENT TMS1002
Fig 2: Stop Light System Wiring Diagram (2 Of 2)
G08850050Courtesy of © TOYOTA, LICENSE AGREEMENT TMS1002