LEMON Manuals: Even more car manuals for everyone: 1960-2025
Home >> Toyota >> 2012 >> Prius V >> Repair and Diagnosis >> Electrical >> Body Electrical >> OEM System Circuits >> Headlight Beam Level Control >> Notes
April 5, 2026: LEMON Manuals is launched! Read the announcement.

Headlight Beam Level Control: Notes

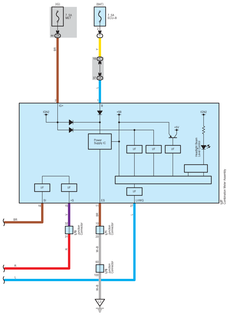
Fig 1: Headlight Beam Level Control (1 Of 5)
G08862877Courtesy of © TOYOTA, LICENSE AGREEMENT TMS1002
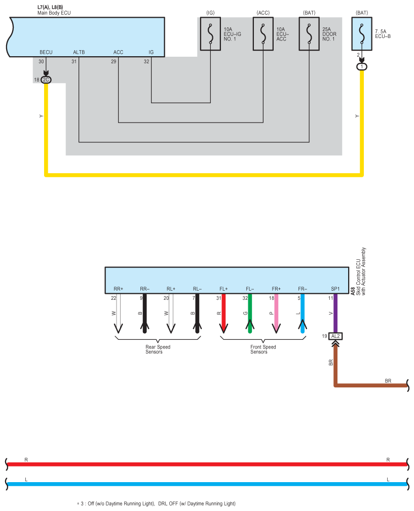
Fig 2: Headlight Beam Level Control (2 Of 5)
G08862878Courtesy of © TOYOTA, LICENSE AGREEMENT TMS1002
Fig 3: Headlight Beam Level Control (3 Of 5)
G08862879Courtesy of © TOYOTA, LICENSE AGREEMENT TMS1002
Fig 4: Headlight Beam Level Control (4 Of 5)
G08862880Courtesy of © TOYOTA, LICENSE AGREEMENT TMS1002
Fig 5: Headlight Beam Level Control (5 Of 5)
G08862881Courtesy of © TOYOTA, LICENSE AGREEMENT TMS1002