LEMON Manuals: Even more car manuals for everyone: 1960-2025
Home >> Toyota >> 2012 >> Sienna XLE, AWD >> Repair and Diagnosis >> Electrical >> Body Electrical >> OEM System Circuits >> Audio System (w/Navigation System), Navigation System and Parking Assist (Rear View Monitor w/Navigation System) >> Notes
April 5, 2026: LEMON Manuals is launched! Read the announcement.

Audio System (w/Navigation System), Navigation System and Parking Assist (Rear View Monitor w/Navigation System): Notes

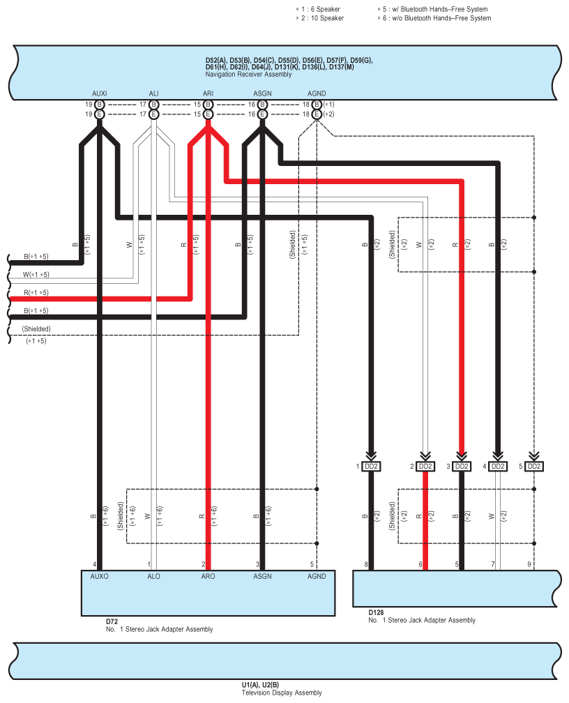
Fig 1: Audio System, Navigation System And Parking Assist Wiring Diagram (1 Of 16)
G08846338Courtesy of © TOYOTA, LICENSE AGREEMENT TMS1002
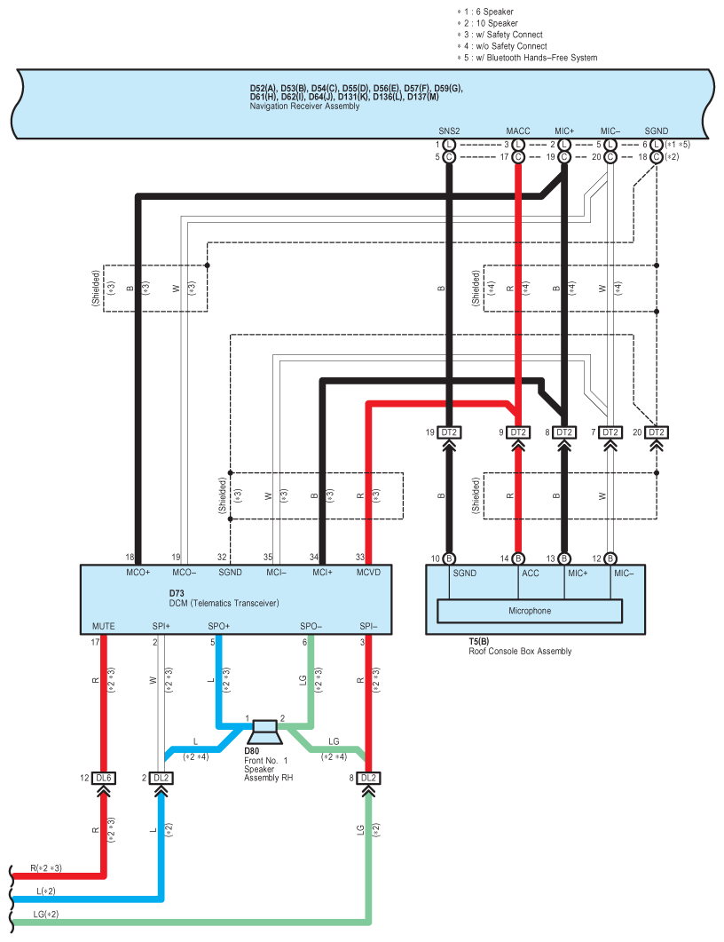
Fig 2: Audio System, Navigation System And Parking Assist Wiring Diagram (2 Of 16)
G08846339Courtesy of © TOYOTA, LICENSE AGREEMENT TMS1002
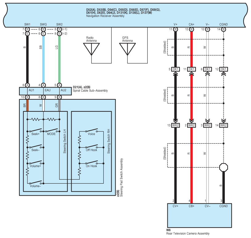
Fig 3: Audio System, Navigation System And Parking Assist Wiring Diagram (3 Of 16)
G08846340Courtesy of © TOYOTA, LICENSE AGREEMENT TMS1002
Fig 4: Audio System, Navigation System And Parking Assist Wiring Diagram (4 Of 16)
G08846341Courtesy of © TOYOTA, LICENSE AGREEMENT TMS1002
Fig 5: Audio System, Navigation System And Parking Assist Wiring Diagram (5 Of 16)
G08846342Courtesy of © TOYOTA, LICENSE AGREEMENT TMS1002
Fig 6: Audio System, Navigation System And Parking Assist Wiring Diagram (6 Of 16)
G08846343Courtesy of © TOYOTA, LICENSE AGREEMENT TMS1002
Fig 7: Audio System, Navigation System And Parking Assist Wiring Diagram (7 Of 16)
G08846344Courtesy of © TOYOTA, LICENSE AGREEMENT TMS1002
Fig 8: Audio System, Navigation System And Parking Assist Wiring Diagram (8 Of 16)
G08846345Courtesy of © TOYOTA, LICENSE AGREEMENT TMS1002
Fig 9: Audio System, Navigation System And Parking Assist Wiring Diagram (9 Of 16)
G08846346Courtesy of © TOYOTA, LICENSE AGREEMENT TMS1002
Fig 10: Audio System, Navigation System And Parking Assist Wiring Diagram (10 Of 16)
G08846347Courtesy of © TOYOTA, LICENSE AGREEMENT TMS1002
Fig 11: Audio System, Navigation System And Parking Assist Wiring Diagram (11 Of 16)
G08846348Courtesy of © TOYOTA, LICENSE AGREEMENT TMS1002
Fig 12: Audio System, Navigation System And Parking Assist Wiring Diagram (12 Of 16)
G08846349Courtesy of © TOYOTA, LICENSE AGREEMENT TMS1002
Fig 13: Audio System, Navigation System And Parking Assist Wiring Diagram (13 Of 16)
G08846350Courtesy of © TOYOTA, LICENSE AGREEMENT TMS1002
Fig 14: Audio System, Navigation System And Parking Assist Wiring Diagram (14 Of 16)
G08846351Courtesy of © TOYOTA, LICENSE AGREEMENT TMS1002
Fig 15: Audio System, Navigation System And Parking Assist Wiring Diagram (15 Of 16)
G08846352Courtesy of © TOYOTA, LICENSE AGREEMENT TMS1002
Fig 16: Audio System, Navigation System And Parking Assist Wiring Diagram (16 Of 16)
G08846353Courtesy of © TOYOTA, LICENSE AGREEMENT TMS1002