LEMON Manuals: Even more car manuals for everyone: 1960-2025
Home >> Toyota >> 2013 >> Corolla Base, Automatic Trans >> Repair and Diagnosis >> Electrical >> Body Electrical >> OEM System Circuits >> Engine Control (TMC Made) >> Notes
April 5, 2026: LEMON Manuals is launched! Read the announcement.

Engine Control (TMC Made): Notes

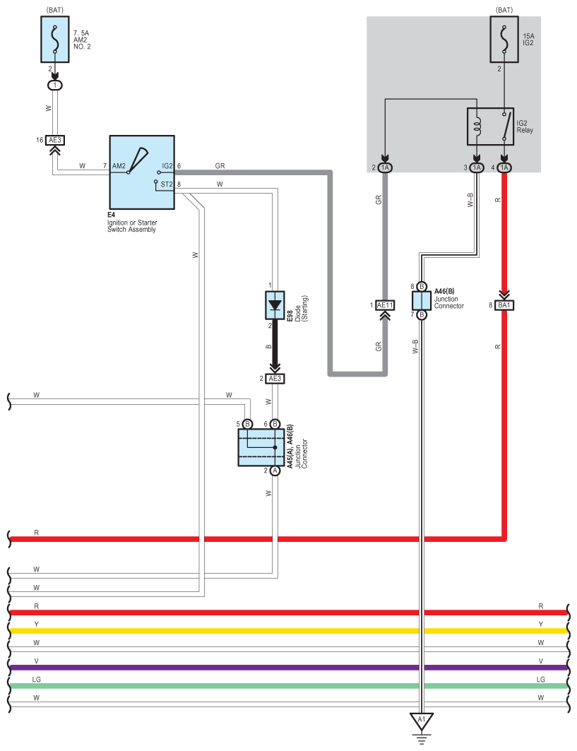
Fig 1: Engine Control System Wiring Diagram (TMC Made; 1 Of 10)
G09106432Courtesy of © TOYOTA, LICENSE AGREEMENT TMS1002
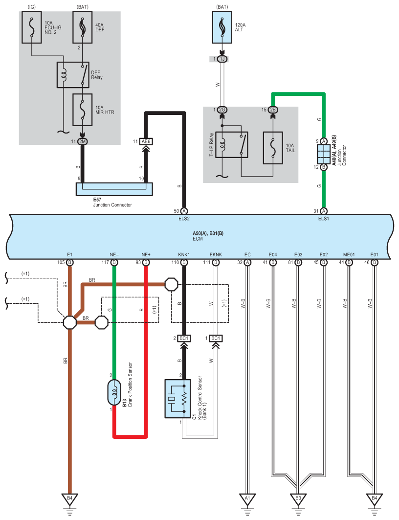
Fig 2: Engine Control System Wiring Diagram (TMC Made; 2 Of 10)
G09106433Courtesy of © TOYOTA, LICENSE AGREEMENT TMS1002
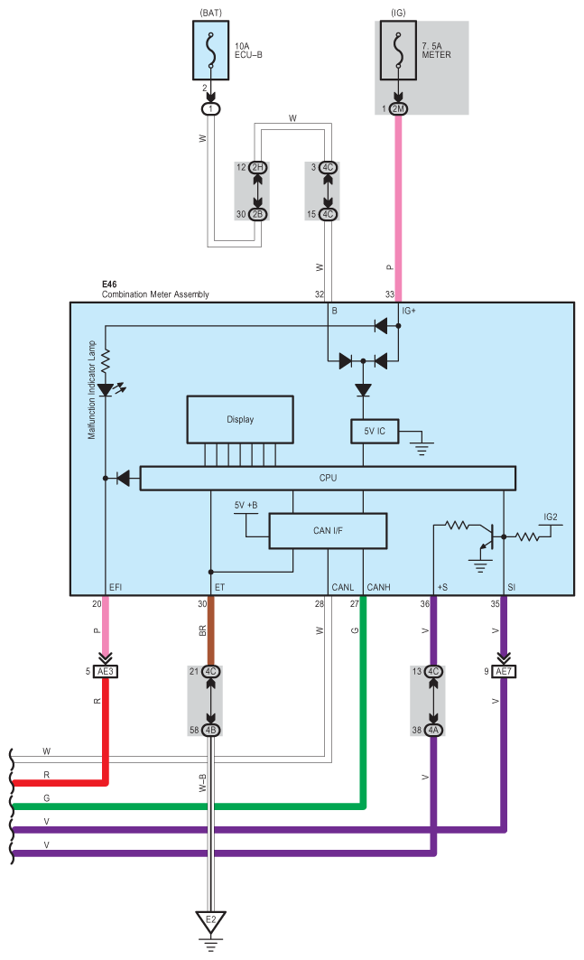
Fig 3: Engine Control System Wiring Diagram (TMC Made; 3 Of 10)
G09106434Courtesy of © TOYOTA, LICENSE AGREEMENT TMS1002
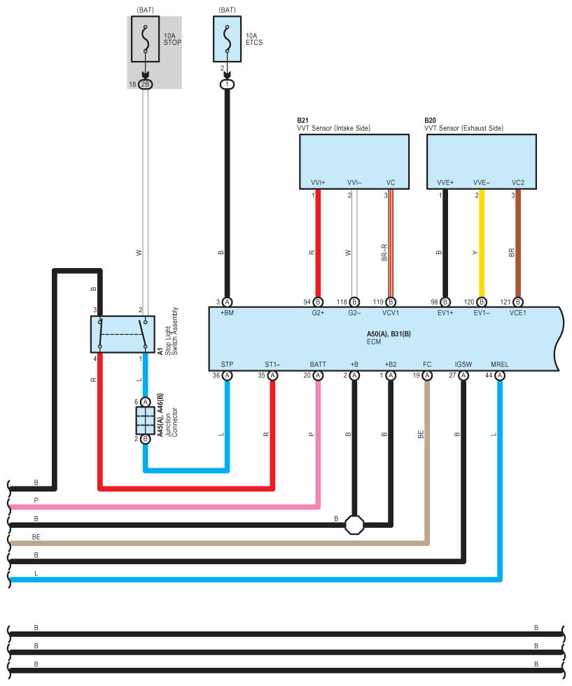
Fig 4: Engine Control System Wiring Diagram (TMC Made; 4 Of 10)
G09106435Courtesy of © TOYOTA, LICENSE AGREEMENT TMS1002
Fig 5: Engine Control System Wiring Diagram (TMC Made; 5 Of 10)
G09106436Courtesy of © TOYOTA, LICENSE AGREEMENT TMS1002
Fig 6: Engine Control System Wiring Diagram (TMC Made; 6 Of 10)
G09106437Courtesy of © TOYOTA, LICENSE AGREEMENT TMS1002
Fig 7: Engine Control System Wiring Diagram (TMC Made; 7 Of 10)
G09106438Courtesy of © TOYOTA, LICENSE AGREEMENT TMS1002
Fig 8: Engine Control System Wiring Diagram (TMC Made; 8 Of 10)
G09106439Courtesy of © TOYOTA, LICENSE AGREEMENT TMS1002
Fig 9: Engine Control System Wiring Diagram (TMC Made; 9 Of 10)
G09106440Courtesy of © TOYOTA, LICENSE AGREEMENT TMS1002
Fig 10: Engine Control System Wiring Diagram (TMC Made; 10 Of 10)
G09106441Courtesy of © TOYOTA, LICENSE AGREEMENT TMS1002