LEMON Manuals: Even more car manuals for everyone: 1960-2025
Home >> Toyota >> 2013 >> Corolla Base, Automatic Trans >> Repair and Diagnosis >> Electrical >> Body Electrical >> OEM System Circuits >> Ignition (TMC Made) >> Notes
April 5, 2026: LEMON Manuals is launched! Read the announcement.

Ignition (TMC Made): Notes

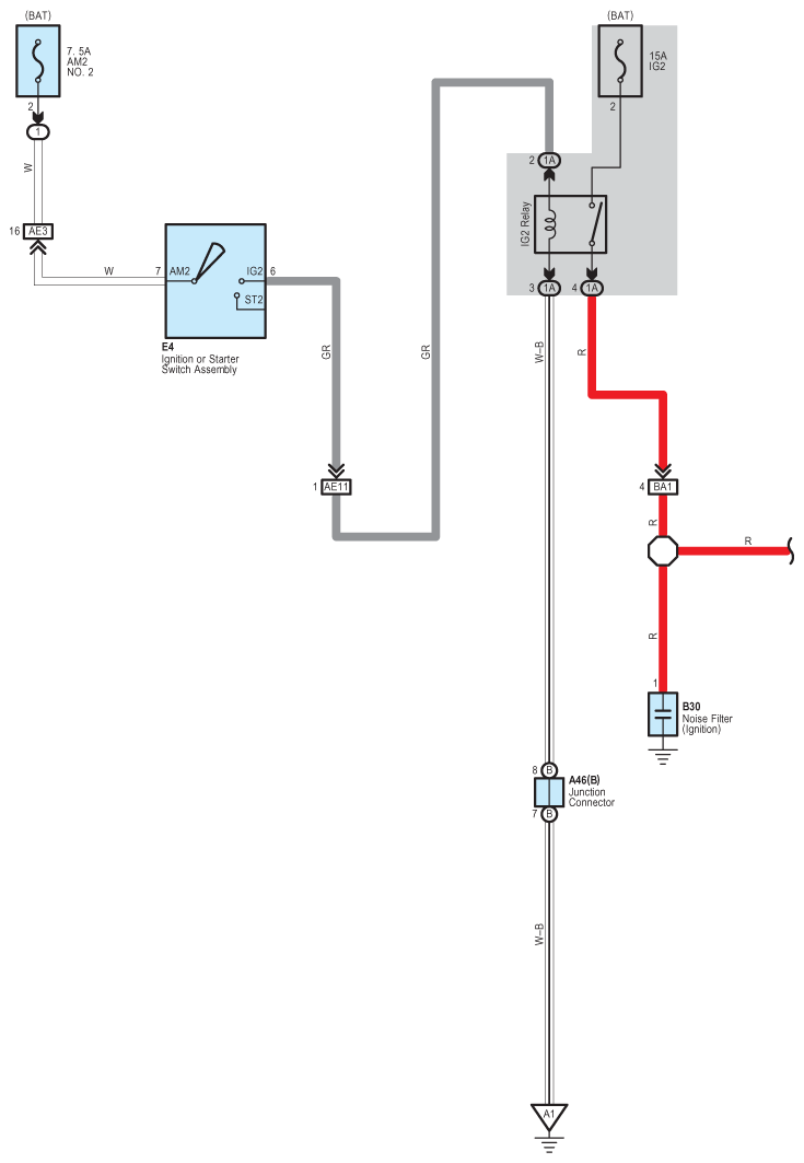
Fig 1: Ignition System Wiring Diagram (TMC Made; 1 Of 2)
G09106430Courtesy of © TOYOTA, LICENSE AGREEMENT TMS1002
Fig 2: Ignition System Wiring Diagram (TMC Made; 2 Of 2)
G09106431Courtesy of © TOYOTA, LICENSE AGREEMENT TMS1002