LEMON Manuals
: Even more car manuals for everyone: 1960-2025
Home
>>
Toyota
>>
2013
>>
Corolla Base, Automatic Trans
>>
Repair and Diagnosis
>>
Electrical
>>
Body Electrical
>>
OEM System Circuits
>>
Remote Control Mirror (Except TMC Made)
>>
Notes
April 5, 2026:
LEMON Manuals is launched!
Read the announcement.
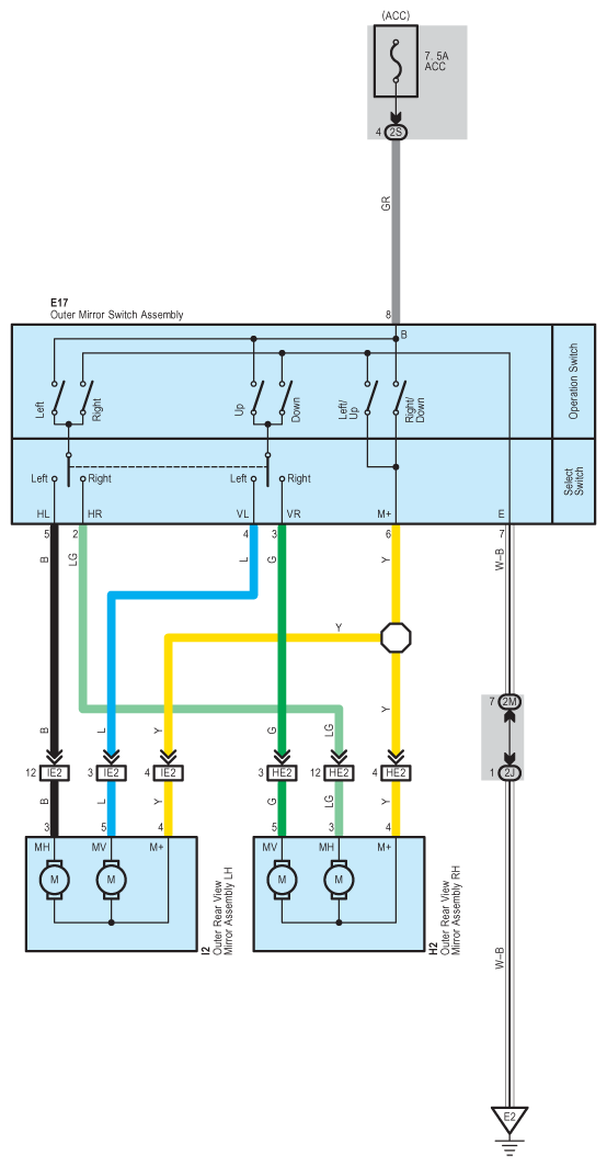
Remote Control Mirror (Except TMC Made): Notes
Fig 1: Remote Control Mirror System Wiring Diagram (Except TMC Made)
Courtesy of © TOYOTA, LICENSE AGREEMENT TMS1002