LEMON Manuals: Even more car manuals for everyone: 1960-2025
Home >> Toyota >> 2013 >> Matrix Base, Automatic Trans >> Repair and Diagnosis >> Electrical >> Body Electrical >> OEM Ground Points >> Ground Point >> Notes
April 5, 2026: LEMON Manuals is launched! Read the announcement.

Ground Point: Notes

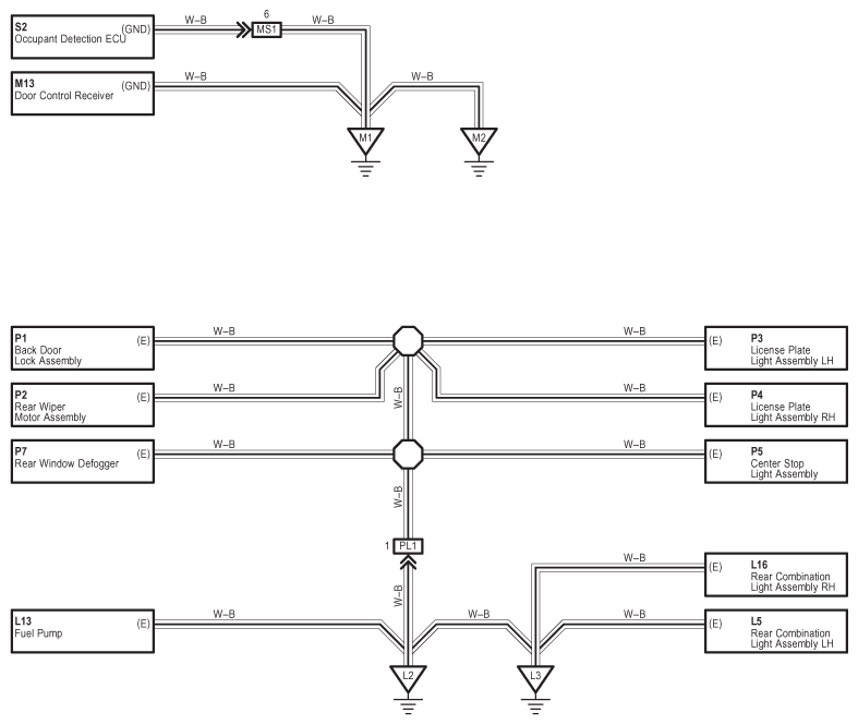
Fig 1: Example Of Ground Point System Wiring Diagram (1 Of 5)
G09105989Courtesy of © TOYOTA, LICENSE AGREEMENT TMS1002
Fig 2: Example Of Ground Point System Wiring Diagram (2 Of 5)
G09105990Courtesy of © TOYOTA, LICENSE AGREEMENT TMS1002
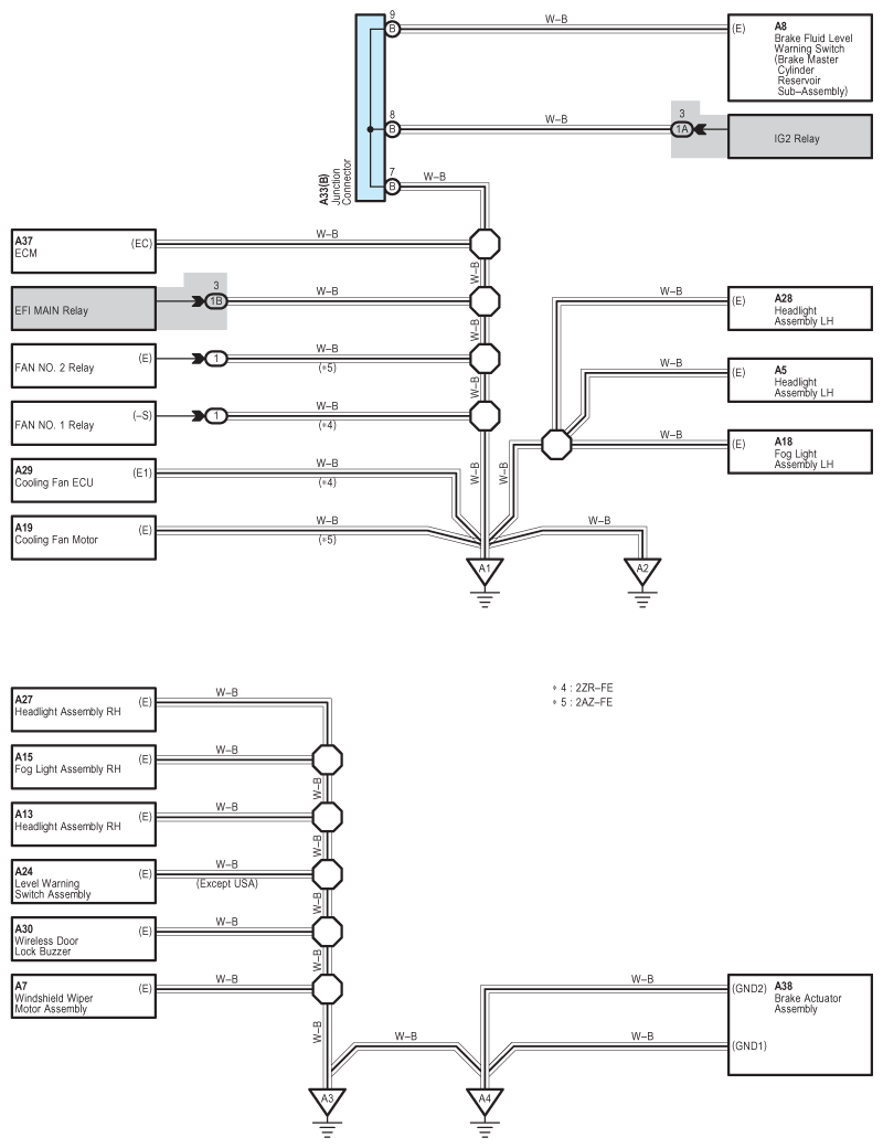
Fig 3: Example Of Ground Point System Wiring Diagram (3 Of 5)
G09105991Courtesy of © TOYOTA, LICENSE AGREEMENT TMS1002
Fig 4: Example Of Ground Point System Wiring Diagram (4 Of 5)
G09105992Courtesy of © TOYOTA, LICENSE AGREEMENT TMS1002
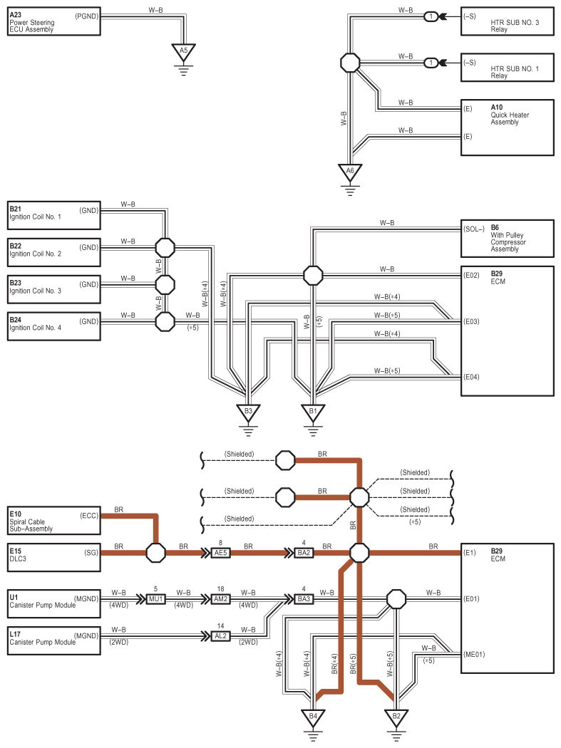
Fig 5: Example Of Ground Point System Wiring Diagram (5 Of 5)
G09105993Courtesy of © TOYOTA, LICENSE AGREEMENT TMS1002