LEMON Manuals: Even more car manuals for everyone: 1960-2025
Home >> Toyota >> 2013 >> Prius Plug-in >> Repair and Diagnosis (Single Page) >> Engine Performance >> Testing & Diagnosis >> Engine Control System (Diagnostics - Introduction) (Plug-In) >> SFI System >> System Diagram >> System Diagram
April 5, 2026: LEMON Manuals is launched! Read the announcement.

System Diagram

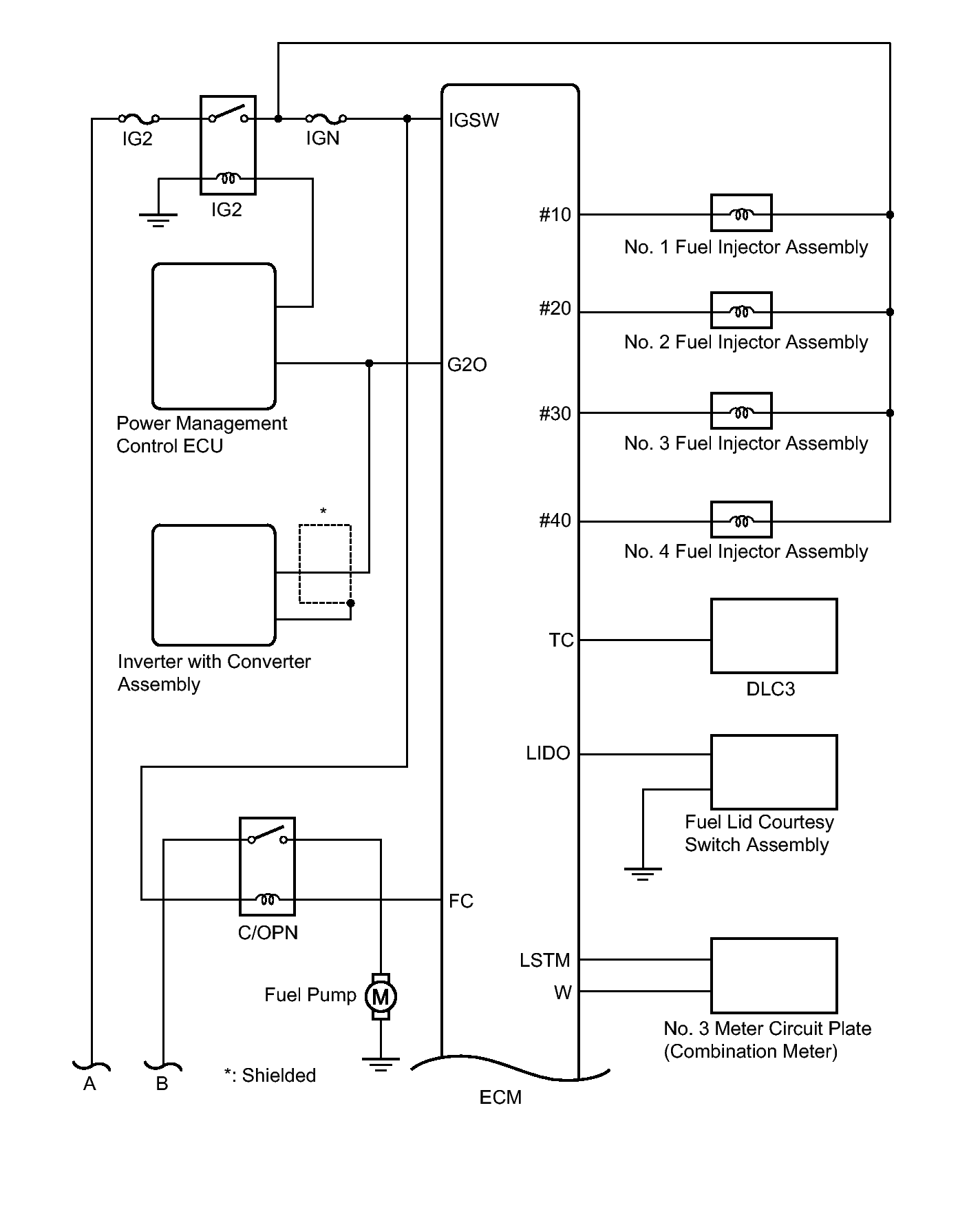
Fig 1: Identifying SFI System Circuit Diagram (1 Of 4)
GTY331025Courtesy of © TOYOTA, LICENSE AGREEMENT TMS1002
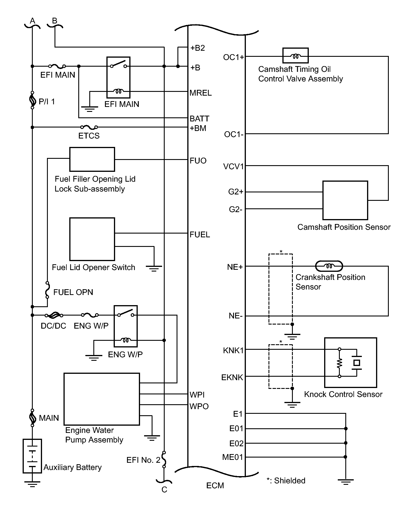
Fig 2: Identifying SFI System Circuit Diagram (2 Of 4)
GTY325957Courtesy of © TOYOTA, LICENSE AGREEMENT TMS1002
Fig 3: Identifying SFI System Circuit Diagram (3 Of 4)
GTY334023Courtesy of © TOYOTA, LICENSE AGREEMENT TMS1002
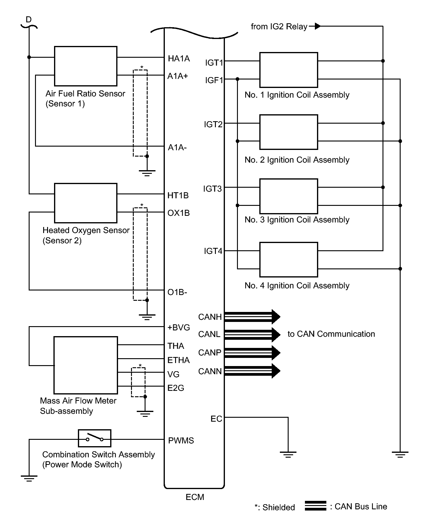
Fig 4: Identifying SFI System Circuit Diagram (4 Of 4)
GTY326961Courtesy of © TOYOTA, LICENSE AGREEMENT TMS1002