LEMON Manuals: Even more car manuals for everyone: 1960-2025
Home >> Toyota >> 2013 >> Prius Plug-in >> Repair and Diagnosis >> Electrical >> Body Electrical >> OEM System Circuits (Plug-In) >> Headlight >> Notes
April 5, 2026: LEMON Manuals is launched! Read the announcement.

OEM System Circuits (Plug-In): Headlight: Notes

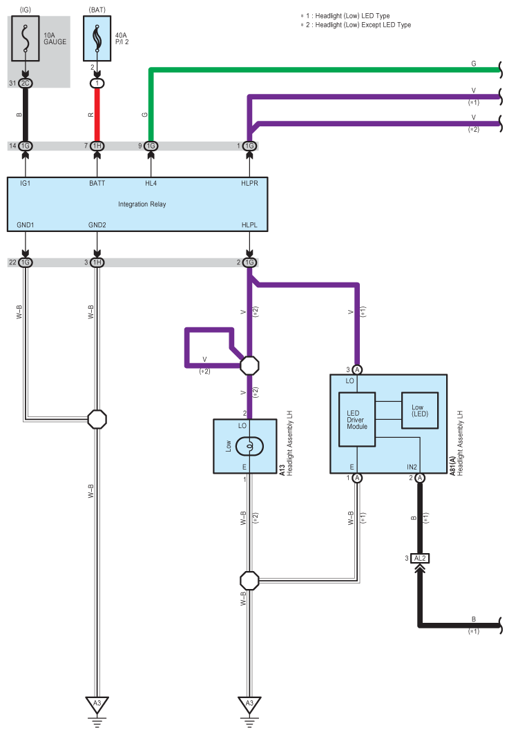
Fig 1: Headlight System Wiring Diagram (1 Of 7)
G09100240Courtesy of © TOYOTA, LICENSE AGREEMENT TMS1002
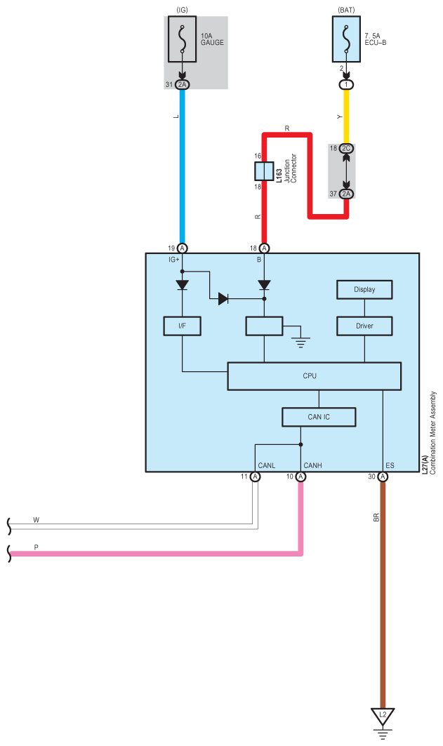
Fig 2: Headlight System Wiring Diagram (2 Of 7)
G09100241Courtesy of © TOYOTA, LICENSE AGREEMENT TMS1002
Fig 3: Headlight System Wiring Diagram (3 Of 7)
G09100242Courtesy of © TOYOTA, LICENSE AGREEMENT TMS1002
Fig 4: Headlight System Wiring Diagram (4 Of 7)
G09100243Courtesy of © TOYOTA, LICENSE AGREEMENT TMS1002
Fig 5: Headlight System Wiring Diagram (5 Of 7)
G09100244Courtesy of © TOYOTA, LICENSE AGREEMENT TMS1002
Fig 6: Headlight System Wiring Diagram (6 Of 7)
G09100245Courtesy of © TOYOTA, LICENSE AGREEMENT TMS1002
Fig 7: Headlight System Wiring Diagram (7 Of 7)
G09100246Courtesy of © TOYOTA, LICENSE AGREEMENT TMS1002