LEMON Manuals: Even more car manuals for everyone: 1960-2025
Home >> Toyota >> 2013 >> Prius Plug-in >> Repair and Diagnosis >> Engine Performance >> Fuel Delivery >> Fuel System (Inspection) (Plug-In) >> Fuel System >> System Diagram >> System Diagram
April 5, 2026: LEMON Manuals is launched! Read the announcement.

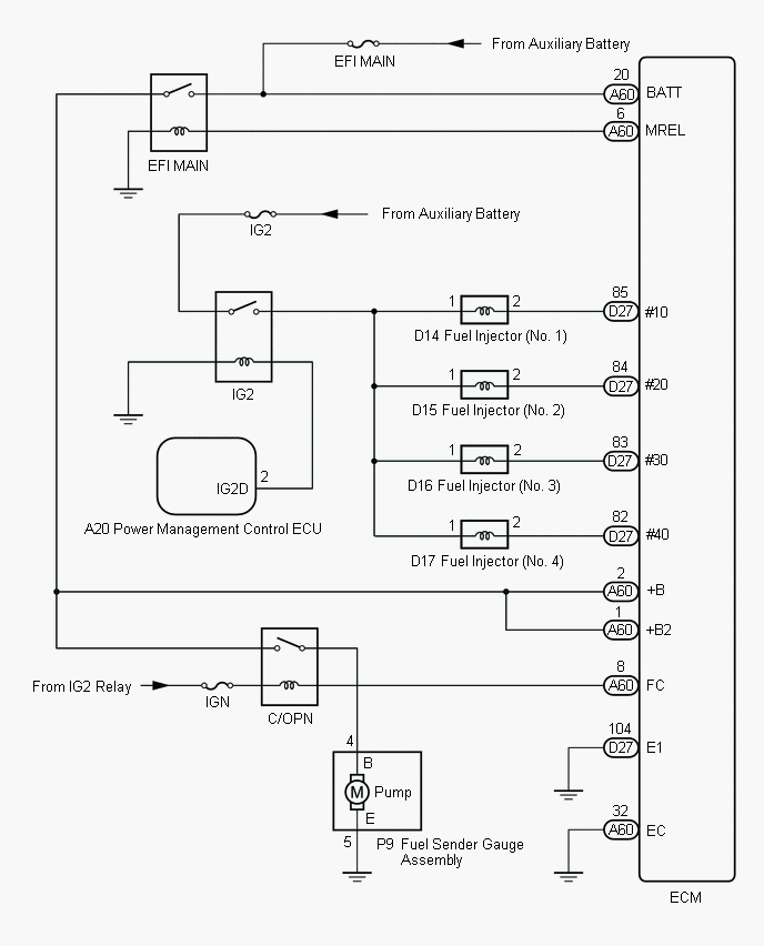
System Diagram

Fig 1: Identifying Fuel System Circuit Diagram
GTY339050Courtesy of © TOYOTA, LICENSE AGREEMENT TMS1002