LEMON Manuals: Even more car manuals for everyone: 1960-2025
Home >> Toyota >> 2013 >> Prius V >> Repair and Diagnosis >> Body & Frame >> Door Locks >> Smart Key System (For Entry Function) (Diagnostics - Introduction) >> Smart Key System (For Entry Function) >> System Diagram >> System Diagram
April 5, 2026: LEMON Manuals is launched! Read the announcement.

System Diagram

Fig 1: Smart Key System Wiring Diagram (Smart Key ECU) (1 Of 2)
GTY328167Courtesy of © TOYOTA, LICENSE AGREEMENT TMS1002
Fig 2: Smart Key System Wiring Diagram (Smart Key ECU) (2 Of 2)
GTY343926Courtesy of © TOYOTA, LICENSE AGREEMENT TMS1002
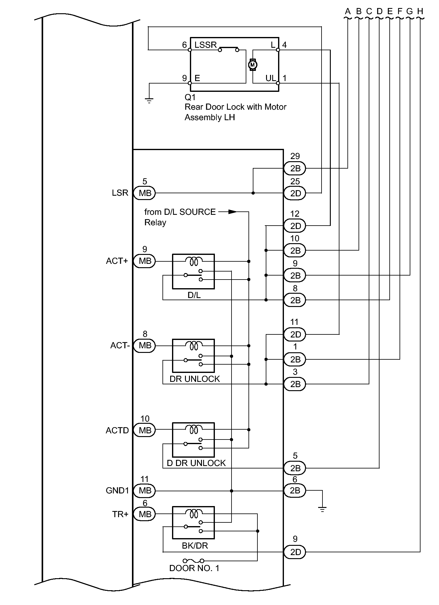
Fig 3: Smart Key System Wiring Diagram (Multiplex Network Body ECU) (1 Of 3)
GTY340341Courtesy of © TOYOTA, LICENSE AGREEMENT TMS1002
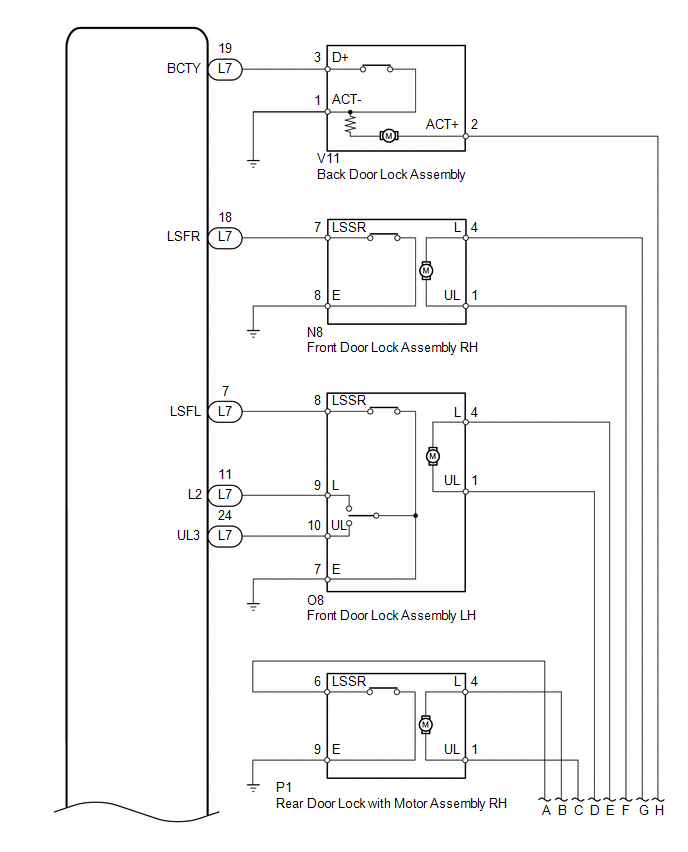
Fig 4: Smart Key System Wiring Diagram (Multiplex Network Body ECU) (2 Of 3)
GTY330637Courtesy of © TOYOTA, LICENSE AGREEMENT TMS1002
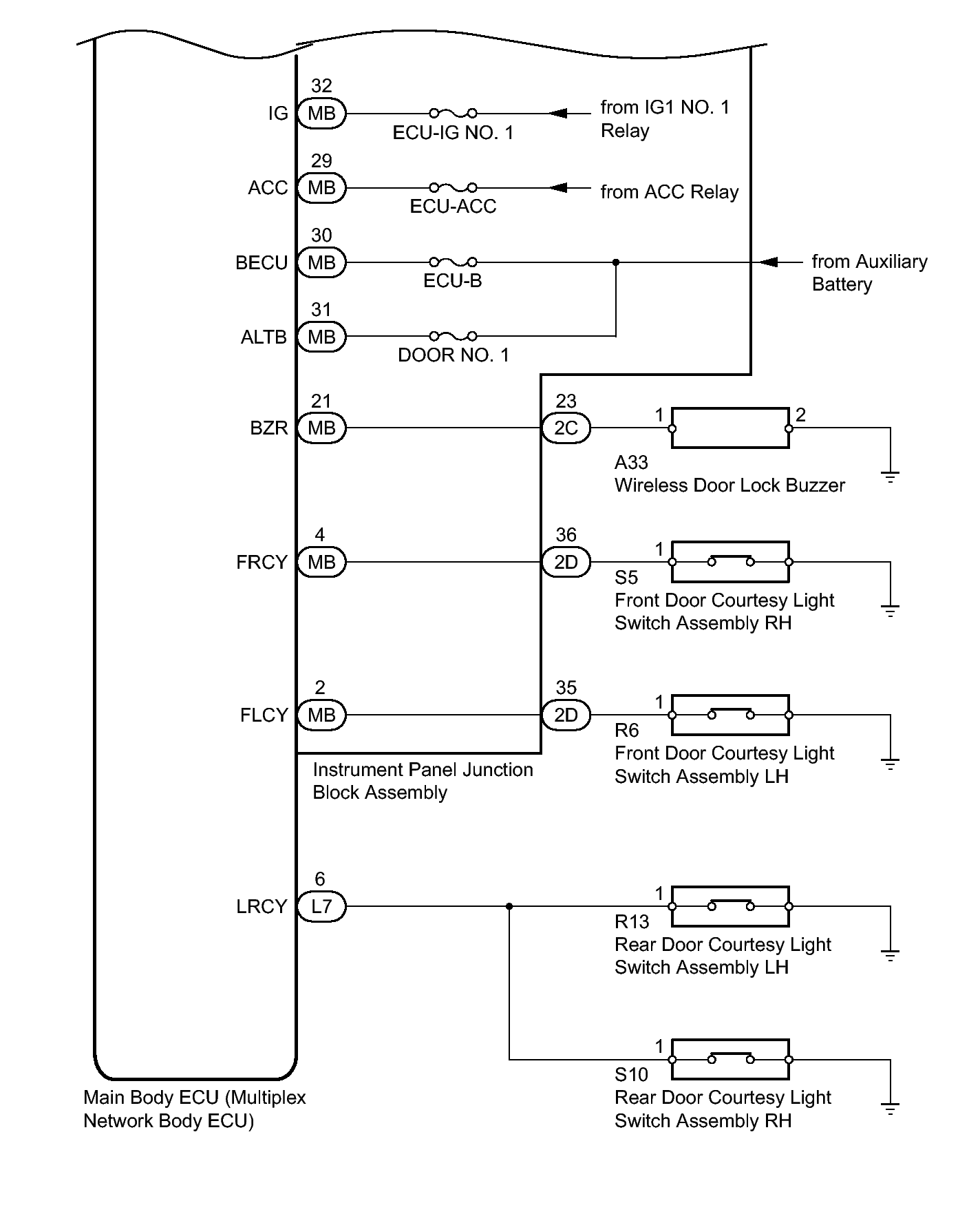
Fig 5: Smart Key System Wiring Diagram (Multiplex Network Body ECU) (3 Of 3)
GTY332137Courtesy of © TOYOTA, LICENSE AGREEMENT TMS1002
Component Function
Front door outside handle assembly Sends request signals from the certification ECU (smart key ECU assembly) via the built-in electrical key antenna and forms the vehicle exterior detection area.
Sends door lock switch operation signals to the certification ECU (smart key ECU assembly) (entry lock function).
Uses the built-in touch sensor to detect the operation of the front door outside handle assembly and sends signals to the certification ECU (smart key ECU assembly) (entry unlock function).
No. 1 indoor electrical key antenna assembly (front floor)
No. 3 indoor electrical key antenna assembly (rear floor)
Receives the request code from the certification ECU (smart key ECU assembly) and forms the vehicle interior detection area.
No. 2 indoor electrical key antenna assembly (inside luggage) Receives the request code from the certification ECU (smart key ECU assembly) and forms the luggage compartment interior detection area.
Electrical key antenna (outside luggage) Receives the request code from the certification ECU (smart key ECU assembly) and forms the luggage compartment exterior detection area.
Back door opener switch assembly Sends switch operation signals to the certification ECU (smart key ECU assembly).
Door control receiver Receives the smart key system code/wireless code sent from the electrical key transmitter sub-assembly and sends it to the certification ECU (smart key ECU assembly).
Turn signal flasher assembly (flasher relay) Blinks the hazard warning lights when performing answer-back in accordance with commands from the certification ECU (smart key ECU assembly) sent through the main body ECU (multiplex network body ECU) via CAN communication.
Wireless door lock buzzer Sounds when performing answer-back or when warning functions operate in accordance with certification ECU (smart key ECU assembly) control.
Electrical key transmitter sub-assembly Sends the ID code upon receiving a request signal.
Certification ECU (smart key ECU assembly) Sends request codes to each electrical key antenna.
Distinguishes and verifies the ID code from the electrical key transmitter sub-assembly and sends signals to each ECU in response to operated functions (controls entire system).
Performs encryption code communication with the ID code box (immobiliser code ECU) when ignition operations are performed.