LEMON Manuals: Even more car manuals for everyone: 1960-2025
Home >> Toyota >> 2013 >> RAV4 LE, AWD >> Repair and Diagnosis >> Electrical >> Body Electrical >> OEM System Circuits >> Power Source >> Notes
April 5, 2026: LEMON Manuals is launched! Read the announcement.

Power Source: Notes

Fig 1: Power Source Wiring Diagram (1 Of 10)
G09110457Courtesy of © TOYOTA, LICENSE AGREEMENT TMS1002
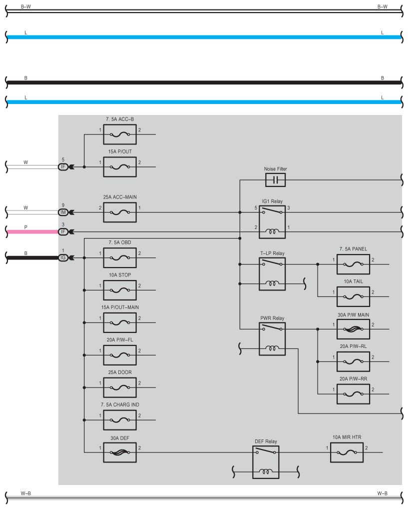
Fig 2: Power Source Wiring Diagram (2 Of 10)
G09110458Courtesy of © TOYOTA, LICENSE AGREEMENT TMS1002
Fig 3: Power Source Wiring Diagram (3 Of 10)
G09110459Courtesy of © TOYOTA, LICENSE AGREEMENT TMS1002
Fig 4: Power Source Wiring Diagram (4 Of 10)
G09110460Courtesy of © TOYOTA, LICENSE AGREEMENT TMS1002
Fig 5: Power Source Wiring Diagram (5 Of 10)
G09110461Courtesy of © TOYOTA, LICENSE AGREEMENT TMS1002
Fig 6: Power Source Wiring Diagram (6 Of 10)
G09110462Courtesy of © TOYOTA, LICENSE AGREEMENT TMS1002
Fig 7: Power Source Wiring Diagram (7 Of 10)
G09110463Courtesy of © TOYOTA, LICENSE AGREEMENT TMS1002
Fig 8: Power Source Wiring Diagram (8 Of 10)
G09110464Courtesy of © TOYOTA, LICENSE AGREEMENT TMS1002
Fig 9: Power Source Wiring Diagram (9 Of 10)
G09110465Courtesy of © TOYOTA, LICENSE AGREEMENT TMS1002
Fig 10: Power Source Wiring Diagram (10 Of 10)
G09110466Courtesy of © TOYOTA, LICENSE AGREEMENT TMS1002